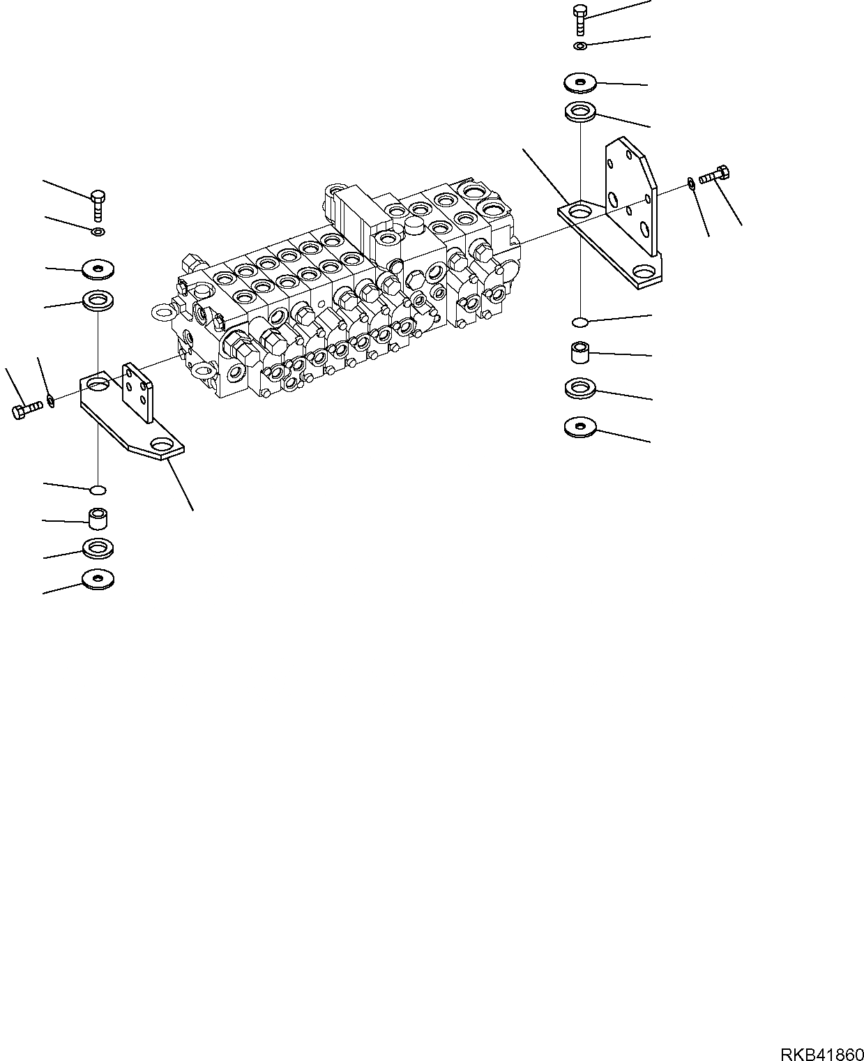
Запчасти Komatsu PC50MR-2 УПРАВЛЯЮЩ. КЛАПАН (КРЕПЛЕНИЕ ЧАСТИ) РАБОЧЕЕ ОБОРУДОВАНИЕ ГИДРАВЛИКА

Схема запчастей Komatsu PC50MR-2 - УПРАВЛЯЮЩ. КЛАПАН (КРЕПЛЕНИЕ ЧАСТИ) РАБОЧЕЕ ОБОРУДОВАНИЕ ГИДРАВЛИКА
11
12
9
7
1
11
12
2
3
9
7
8
6
10
5
7
9
8
10
4
7
9
FIT
1:1
100%

Артикул

Название

Примечание

Количество

1

22M-60-22111

BRACKET

2

01016-51030

BOLT

3

01643-11032

WASHER

4

22M-60-22122

BRACKET

5

01016-50825

BOLT

6

01643-10823

WASHER

7

201-910-6730

RUBBER

8

37B-09-15211

O-RING

9

415-64-13120

WASHER

10

22M-60-22130

COLLAR

11

01010-81040

BOLT

12

01643-11032

WASHER

Выбрано товаров: 12