Запчасти Komatsu PC50MR-2 ЭЛЕКТРИКА (ПЛАТФОРМА ЛИНИЯ) КОМПОНЕНТЫ ДВИГАТЕЛЯ И ЭЛЕКТРИКА

Схема запчастей Komatsu PC50MR-2 - ЭЛЕКТРИКА (ПЛАТФОРМА ЛИНИЯ) КОМПОНЕНТЫ ДВИГАТЕЛЯ И ЭЛЕКТРИКА
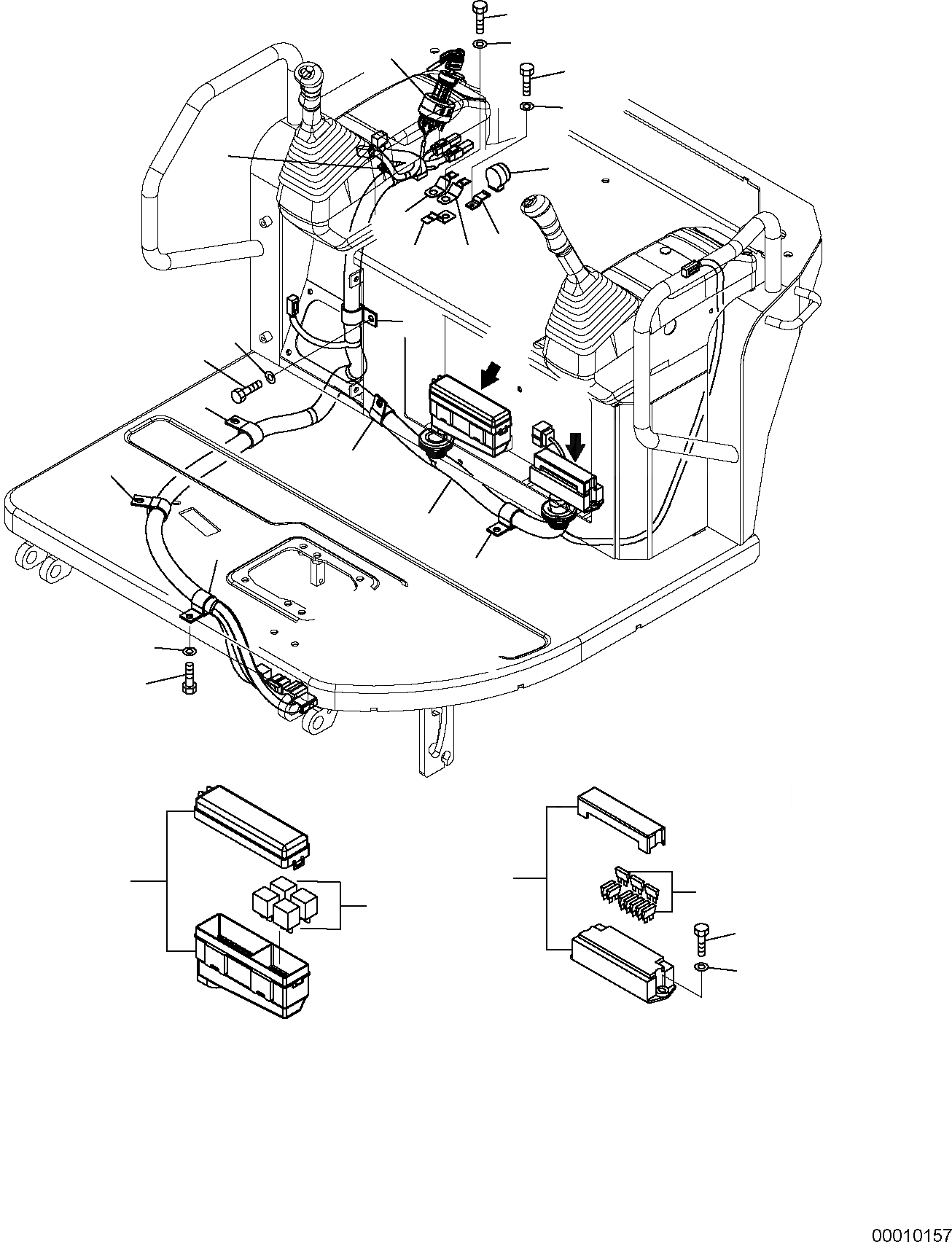
13
14
19
17
18
20
15
11
16
12
11
21
23
22
8
8
8
1
8
8
10
9
4
2
5
3
6
7
a
a
b
b
FIT
1:1
100%

Артикул

Название

Примечание

Количество

1

22M-06-24112

WIRING HARNESS, PLATFORM LINE

2

22M-06-24260

BOX, RELAY

3

20U-06-42520

RELAY

4

08044-01000

FUSE BOX

5

08041-01000

FUSE 10A

5

08041-03000

FUSE 30A

6

801015067

BOLT

7

802170000

WASHER

8

802660034

CLAMP

9

801015108

BOLT

10

802170002

WASHER

11

08193-20010

CLIP

12

08053-01510

CLIP

13

801015108

BOLT

14

802170002

WASHER

15

21Y-06-11260

HORN, ASSY.

16

21Y-06-11270

PLATE

17

801015062

BOLT

18

802170000

WASHER

19

885081070

STARTING BLOCK

20

885180003

CLAMP

21

802660034

CLAMP

22

01010-D1025

BOLT

23

802170002

WASHER

Выбрано товаров: 24