Запчасти Komatsu PC50MR-2 ЭЛЕКТРИКА (ПЛАТФОРМА ЛИНИЯ) КОМПОНЕНТЫ ДВИГАТЕЛЯ И ЭЛЕКТРИКА

Схема запчастей Komatsu PC50MR-2 - ЭЛЕКТРИКА (ПЛАТФОРМА ЛИНИЯ) КОМПОНЕНТЫ ДВИГАТЕЛЯ И ЭЛЕКТРИКА
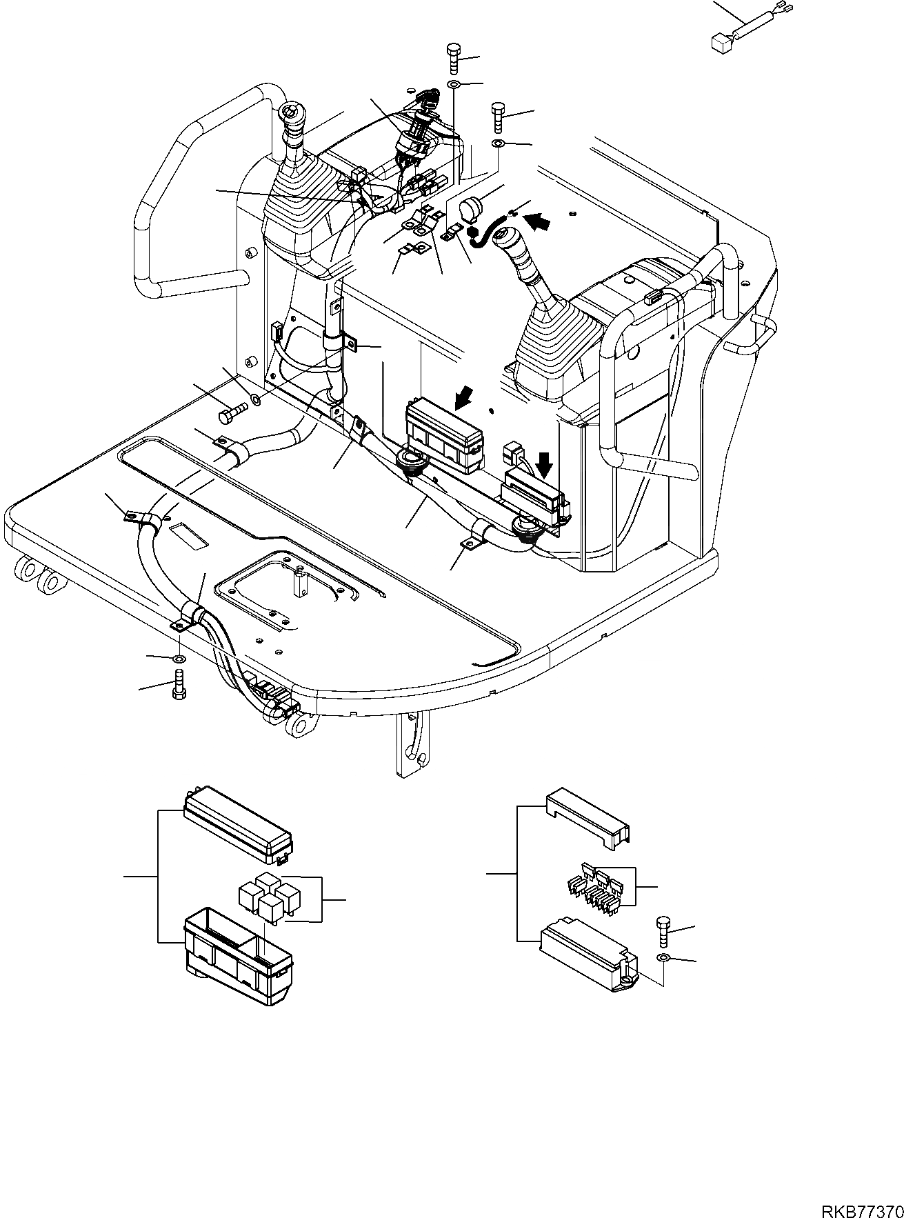
24
13
14
6
17
18
15
20
24
11
16
12
11
21
23
22
8
8
8
1
8
8
10
9
4
2
5
3
19
7
c
c
b
b
a
a
FIT
1:1
100%

Артикул

Название

Примечание

Количество

1

22M-06-R4112

WIRING HARNESS, PLATFORM LINE

2

22M-06-R4260

RELAY BOX

3

395-06-12870

RELAY

4

08044-01000

FUSE BOX

5

21D-06-11820

FUSE 10A

5

21D-06-11840

FUSE 20A

5

22L-09-R2T50

FUSE 30A

6

20S-06-31130

STARTING BLOCK

7

01643-10623

WASHER

8

04434-52712

CLAMP

9

01010-81020

BOLT

10

01643-11032

WASHER

11

08193-20010

CLIP

12

08053-01510

CLIP

13

01010-81020

BOLT

14

01643-11032

WASHER

15

22E-06-11830

BUZZER

16

22L-09-R2520

BRACKET

17

01010-80612

BOLT

18

01643-10623

WASHER

19

01010-80625

BOLT

20

08034-20414

BAND

21

04434-52712

CLAMP

22

01010-D1025

BOLT

23

01643-11032

WASHER

24

22L-09-R2340

WIRING HARNESS, BUZZER LINE

Выбрано товаров: 26