Запчасти Komatsu PC50MR-2 ЭЛЕКТРИКА (/) КОМПОНЕНТЫ ДВИГАТЕЛЯ И ЭЛЕКТРИКА

Схема запчастей Komatsu PC50MR-2 - ЭЛЕКТРИКА (/) КОМПОНЕНТЫ ДВИГАТЕЛЯ И ЭЛЕКТРИКА
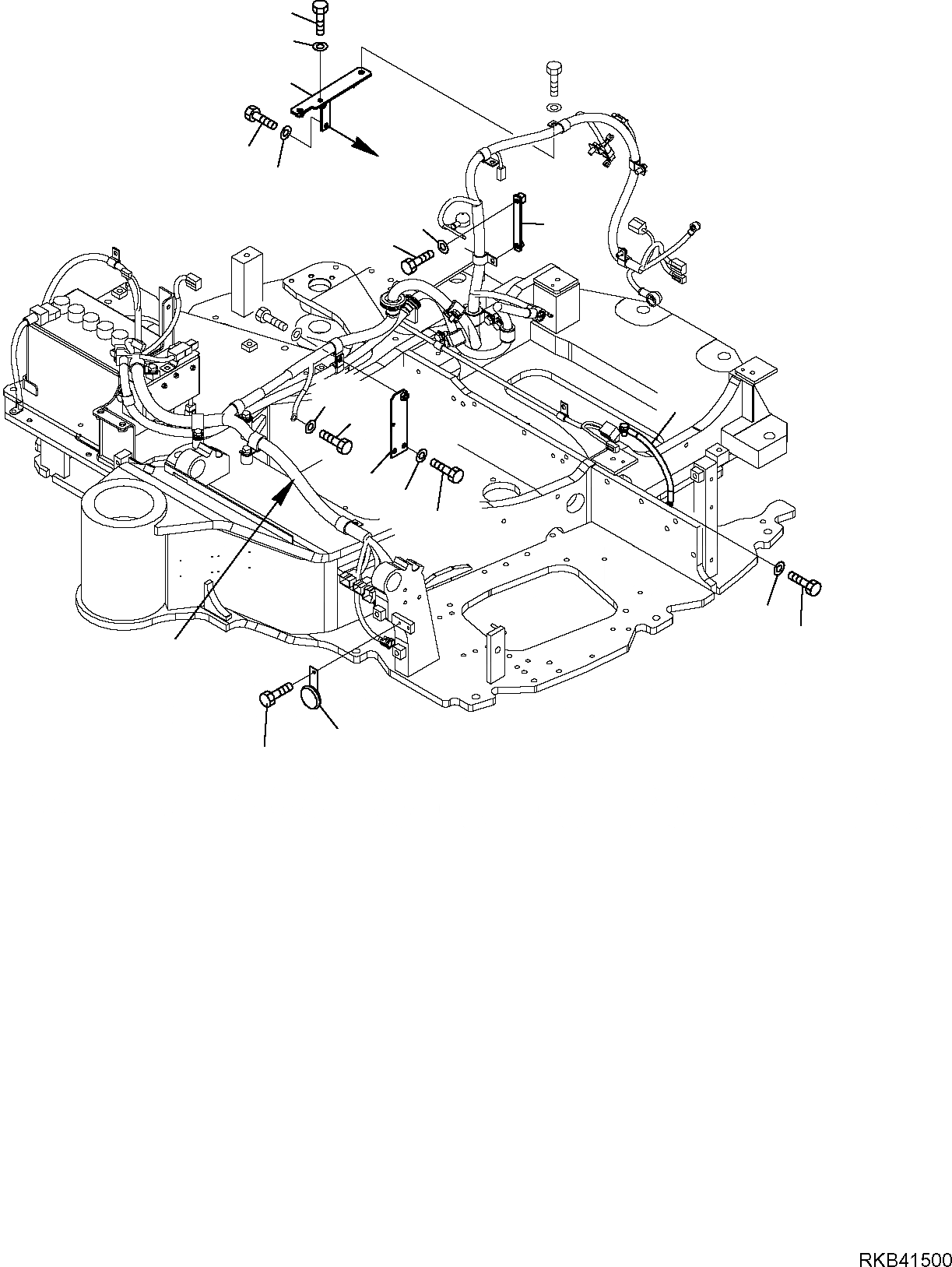
13
14
12
15
16
9
17
18
11
1
10
4
6
5
3
2
7
8
A
FIT
1:1
100%

Артикул

Название

Примечание

Количество

1

20U-06-41250

GROUND FRAME CABLE

2

01010-81020

BOLT

3

01643-11032

WASHER

4

22M-06-21122

PLATE

5

01010-81025

BOLT

6

01643-11032

WASHER

7

42N-06-11241

HORN

8

01435-00812

BOLT

9

01010-80835

BOLT

10

01010-81020

BOLT

11

01643-11032

WASHER

12

22M-06-21331

BRACKET

12

22M-06-R1331

BRACKET

13

01016-50825

BOLT

14

01643-10823

WASHER

15

01010-80816

BOLT

16

01643-10823

WASHER

17

08034-20823

CLAMP

18

22M-06-21340

BRACKET

Выбрано товаров: 19