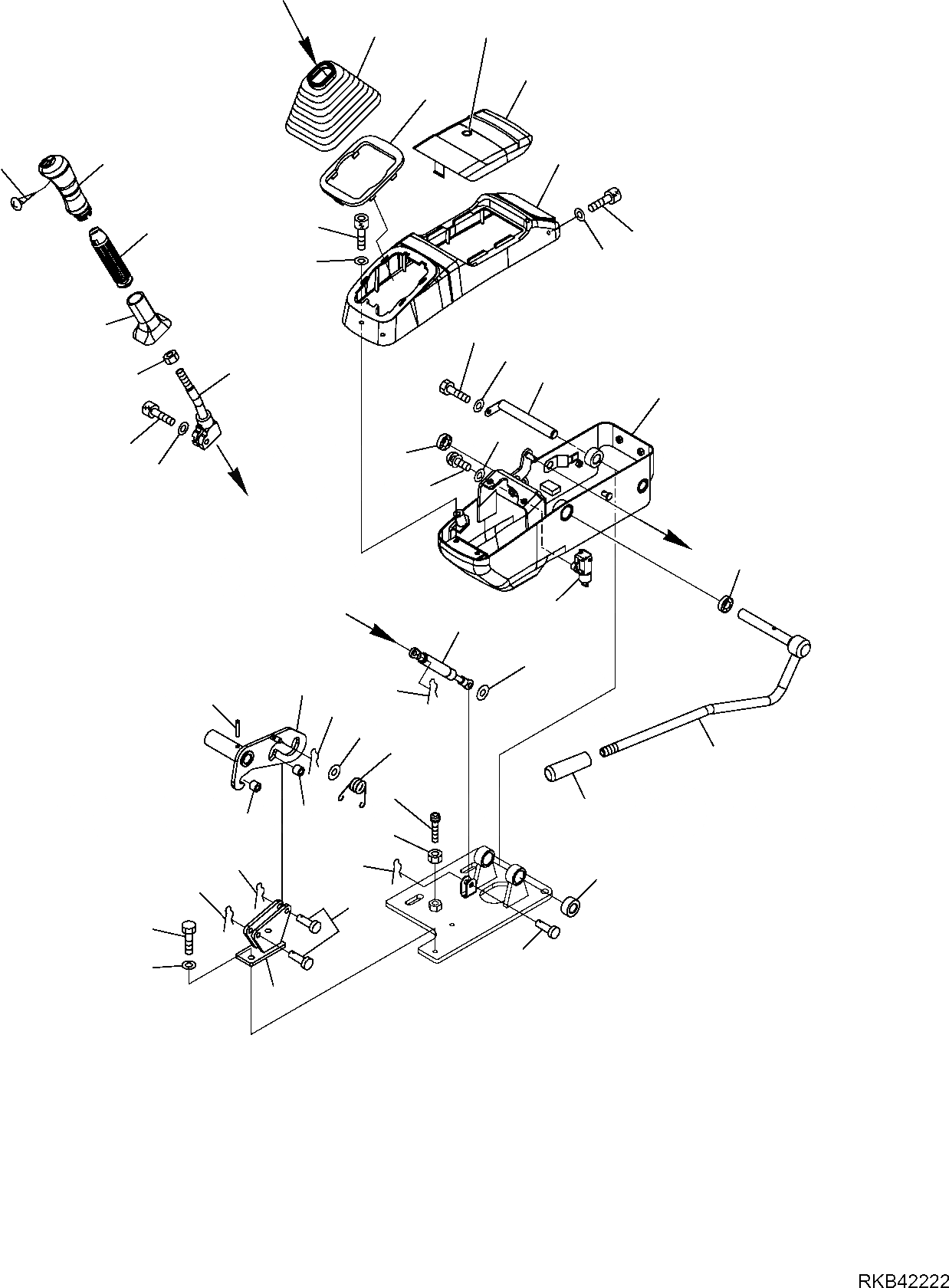
Запчасти Komatsu PC50MR-2 ЛЕВ. СЕРВОУПРАВЛ. (НАВЕС) СИСТЕМА УПРАВЛЕНИЯ И ОСНОВНАЯ РАМА

Схема запчастей Komatsu PC50MR-2 - ЛЕВ. СЕРВОУПРАВЛ. (НАВЕС) СИСТЕМА УПРАВЛЕНИЯ И ОСНОВНАЯ РАМА
43
28
22
27
11
25
24
26
12
12
13
13
29
19
20
23
18
30
10
41
31
21
32
40
21
39
14
17
4
16
35
37
38
36
33
8
34
7
7
9
6
16
42
6
5
2
3
15
1
a
a
b
b
FIT
1:1
100%

Артикул

Название

Примечание

Количество

1

22M-43-21291

STOPPER

2

01010-D0820

BOLT

3

01643-10823

WASHER

4

22M-43-R1551

GUIDE

5

04205-10830

PIN

6

04050-12015

PIN, COTTER

7

21U-43-32430

BUSHING

8

22B-54-15560

STOPPER

9

01580-11008

NUT

10

22M-43-21111

HOUSING

11

22M-54-22140

COVER

12

01252-70616

BOLT

13

01643-10623

WASHER

14

22M-43-21660

GAS SPRING

15

04205-30822

PIN

16

37A-09-4Z028

PIN, COTTER

17

01643-10823

WASHER

18

22M-43-21151

PIN

19

01010-D0612

BOLT

20

01643-10623

WASHER

21

06124-01616

BEARING, NEEDLE

22

22M-54-R2131

COVER

23

22M-43-21640

LEVER

\23

20Y-43-22620

KNOB

24

01370-10308

SCREW

25

20Y-43-22630

KNOB, L.H.

26

20Y-43-22421

INSERT

27

20Y-43-22250

COLLAR

28

20Y-43-22261

BOOT

29

20Y-43-22370

BOOT

30

600-411-1280

NUT

31

01252-71025

BOLT

32

01643-11032

WASHER

33

22M-43-R1541

LEVER, L.H.

34

22L-09-R3770

KNOB

35

37A-09-4P119

PIN, SPRING

36

22M-43-21560

SPRING

37

37A-09-4Z028

PIN, COTTER

38

01643-10823

WASHER

39

22M-43-21170

SWITCH, ASSY.

40

37A-09-1W059

SCREW

41

01643-10623

WASHER

42

06124-01616

BEARING, NEEDLE

43

21D-06-12880

PLUG

Выбрано товаров: 44