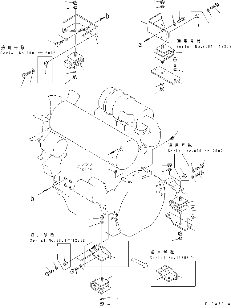
Запчасти Komatsu PC50UD-2 КРЕПЛЕНИЕ ДВИГАТЕЛЯ (КРЕПЛЕНИЕ) КОМПОНЕНТЫ ДВИГАТЕЛЯ

Схема запчастей Komatsu PC50UD-2 - КРЕПЛЕНИЕ ДВИГАТЕЛЯ (КРЕПЛЕНИЕ) КОМПОНЕНТЫ ДВИГАТЕЛЯ
1
2
3
4
5
6
7
8
8
9
9
10
10
11
12
13
14
15
16
17
17
18
18
19
20
21
22
22
23
24
25
25
26
26
27
28
29
30
31
32
33
34
34
35
35
36
37
38
38
39
39
40
41
FIT
1:1
100%

Артикул

Название

Примечание

Количество

1

20T-01-71212

BRACKET,R.H.

|1

20T-01-71211

BRACKET,R.H.

2

01010-81030

BOLT

3

01643-31032

WASHER

4

01010-81030

BOLT

|4

01010-51040

BOLT

5

01643-31032

WASHER

6

362-60-12210

SPACER

7

20S-01-71331

CUSHION

|7

20S-01-71330

CUSHION

8

01580-11008

NUT

9

01643-31032

WASHER

10

20T-01-71222

BRACKET

|10

20T-01-71221

BRACKET,L.H.

11

01010-81030

BOLT

12

01643-31032

WASHER

13

01010-81030

BOLT

|13

01010-51040

BOLT

14

01643-31032

WASHER

15

362-60-12210

SPACER

16

20S-01-71331

CUSHION

|16

20S-01-71330

CUSHION

17

01580-11008

NUT

18

01643-31032

WASHER

19

20T-01-71270

BRACKET,R.H.

20

01010-81025

BOLT

21

01010-81025

BOLT

|21

01010-51040

BOLT

22

01643-31032

WASHER

23

201-03-29160

SPACER

24

20S-01-71331

CUSHION

|24

20S-01-71330

CUSHION

25

01580-11008

NUT

26

01643-31032

WASHER

27

20T-01-71280

BRACKET,L.H.

28

01010-81025

BOLT

29

01643-31032

WASHER

30

01010-81025

BOLT

|30

01010-51040

BOLT

31

01643-31032

WASHER

32

201-03-29160

SPACER

33

20S-01-71331

CUSHION

|33

20S-01-71330

CUSHION

34

01580-11008

NUT

35

01643-31032

WASHER

36

20U-01-21210

PLATE

37

20U-01-21220

PLATE

38

01010-81230

BOLT

39

01643-31232

WASHER

40

07049-01012

PLUG

41

07049-00608

PLUG

Выбрано товаров: 51