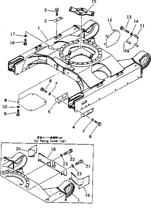
Запчасти Komatsu PC50UU-1 ГУСЕНИЧНАЯ РАМА (ДЛЯ КОРОТК. REACH СПЕЦ-Я.)(№-) ХОДОВАЯ

Схема запчастей Komatsu PC50UU-1 - ГУСЕНИЧНАЯ РАМА (ДЛЯ КОРОТК. REACH СПЕЦ-Я.)(№-) ХОДОВАЯ
FIT
1:1
100%

Артикул

Название

Примечание

Количество

1

20U-959-1310

FRAME,TRACK

2

20S-30-31190

PLATE

3

01010-51225

BOLT

4

20T-30-41312

GUARD,L.H. OUTSIDE AND R.H. INSIDE

5

20T-30-41322

GUARD,R.H. OUTSIDE AND L.H. INSIDE

6

01010-51640

BOLT

7

01643-31645

WASHER

8

20S-30-21120

COVER

9

01010-51016

BOLT

10

01602-21030

WASHER,SPRING

11

20U-30-11211

COVER,L.H.

12

20U-30-11221

COVER,R.H.

13

01011-51000

BOLT

14

01643-31032

WASHER

15

20U-30-11121

PLATE

16

01010-51255

BOLT

17

01643-31232

WASHER

G-1

20U-30-X1310

COVER GROUP,(FOR PIPING COVER) (OP)

18

20U-30-13110

COVER

19

20U-30-13120

COVER,L.H.

20

20U-30-13130

COVER,R.H.

21

01010-51025

BOLT

22

01010-51095

BOLT

23

01643-31032

WASHER

Выбрано товаров: 0