Запчасти Komatsu PC50UU-1 ПЕРЕДН. ЛЕНИВЕЦ ХОДОВАЯ

Схема запчастей Komatsu PC50UU-1 - ПЕРЕДН. ЛЕНИВЕЦ ХОДОВАЯ
FIT
1:1
100%

Артикул

Название

Примечание

Количество

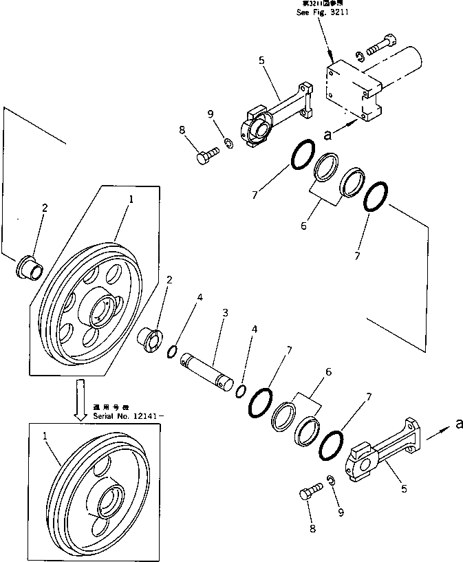
|1

20T-30-00103

IDLER ASS'Y

|1

20T-30-00102

IDLER ASS'Y

|1

20T-30-00101

IDLER ASS'Y

1

20T-30-41241

IDLER

|1

20T-30-41240

IDLER

|1

20T-30-31610

IDLER

2

20T-30-11190

BUSHING

3

20T-30-12191

SHAFT

4

07000-03028

O-RING

5

20T-30-31621

SUPPORT

|6

140-30-00141

FLOATING SEAL ASS'Y

6

RING

7

O-RING

8

01090-51045

BOLT

9

01602-21030

WASHER,SPRING

Выбрано товаров: 15