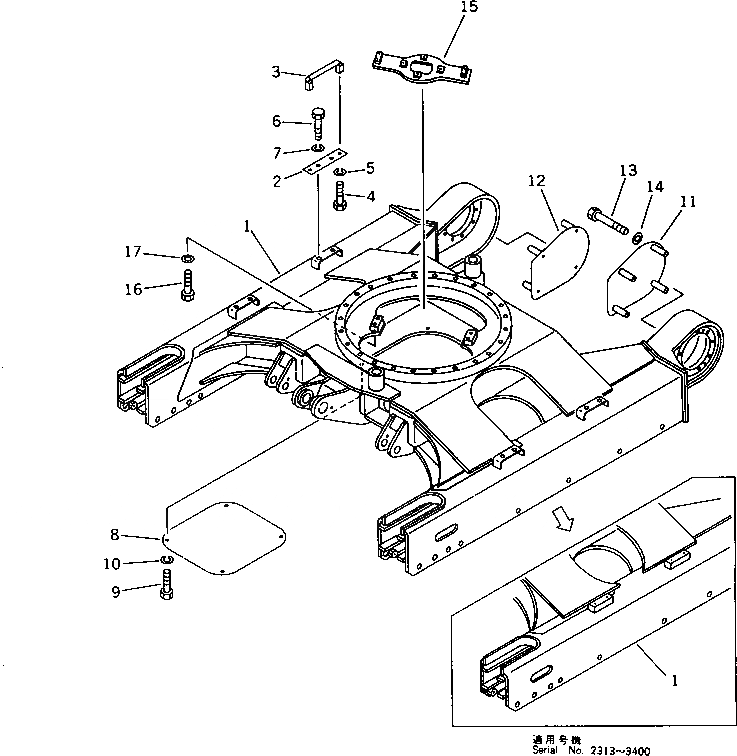
Запчасти Komatsu PC50UU-1 ГУСЕНИЧНАЯ РАМА (ДЛЯ РЕЗИН. SHOE) ХОДОВАЯ

Схема запчастей Komatsu PC50UU-1 - ГУСЕНИЧНАЯ РАМА (ДЛЯ РЕЗИН. SHOE) ХОДОВАЯ
FIT
1:1
100%

Артикул

Название

Примечание

Количество

1

20U-30-11114

FRAME,TRACK

1

20U-30-11112

FRAME,TRACK

1

20U-30-12510

FRAME,TRACK

2

20S-30-23130

PLATE

3

20T-30-32320

GUIDE

4

01010-51025

BOLT

5

01602-21030

WASHER,SPRING

6

01010-51230

BOLT

7

01602-21236

WASHER,SPRING

8

20S-30-21120

COVER

9

01010-51016

BOLT

10

01602-21030

WASHER,SPRING

11

20U-30-11211

COVER,L.H.

12

20U-30-11221

COVER,R.H.

13

01011-51000

BOLT

14

01643-31032

WASHER

15

20U-30-11121

PLATE

15

20U-30-11120

PLATE

16

01010-51255

BOLT

17

01643-31232

WASHER

Выбрано товаров: 20