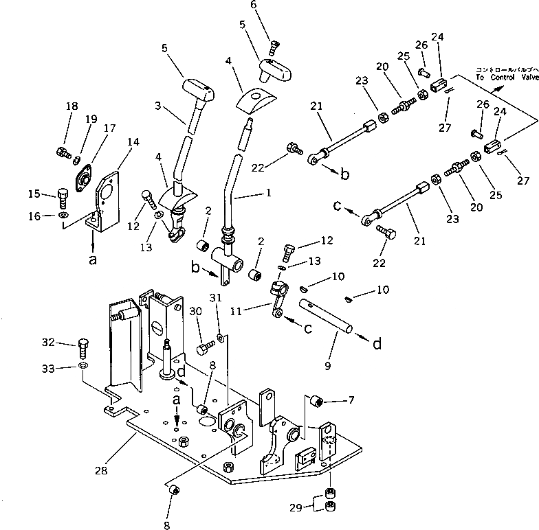
Запчасти Komatsu PC50UU-1 РЫЧАГ УПРАВЛ-Я ХОДОМ(№-) СИСТЕМА УПРАВЛЕНИЯ И ОСНОВНАЯ РАМА

Схема запчастей Komatsu PC50UU-1 - РЫЧАГ УПРАВЛ-Я ХОДОМ(№-) СИСТЕМА УПРАВЛЕНИЯ И ОСНОВНАЯ РАМА
FIT
1:1
100%

Артикул

Название

Примечание

Количество

1

20U-43-14650

LEVER,L.H.

2

195-61-34130

BEARING

3

20U-43-14640

LEVER,R.H.

4

20S-43-11230

COVER

5

203-43-41340

KNOB

6

01225-40625

SCREW

7

195-61-34130

BEARING

8

195-61-34130

BEARING

9

20U-43-14610

SHAFT

10

04010-00519

KEY

11

20U-43-15210

LEVER

12

01010-50830

BOLT

13

01602-20825

WASHER,SPRING

14

20U-43-15360

BRACKET

15

01010-51030

BOLT

16

01643-31032

WASHER

17

20T-43-31310

BEARING

18

01010-50816

BOLT

19

01602-20825

WASHER,SPRING

20

20S-43-11470

ROD

21

20U-43-14790

ROD,L.H. THREAD

22

01010-51030

BOLT

23

01508-41006

NUT,L.H. THREAD

24

20S-43-21570

YOKE

25

01582-11008

NUT

26

20T-43-48620

PIN

27

04050-11210

PIN,COTTER

28

20U-43-11112

BRACKET

29

195-61-34130

BEARING

30

01010-51025

BOLT

31

01643-31032

WASHER

32

01010-51230

BOLT

33

01643-31232

WASHER

Выбрано товаров: 33