Запчасти Komatsu PC50UU-2 ОСНОВН. КОНСТРУКЦИЯ (ЭЛЕКТРОПРОВОДКА)(№8-) КАБИНА ОПЕРАТОРА И СИСТЕМА УПРАВЛЕНИЯ

Схема запчастей Komatsu PC50UU-2 - ОСНОВН. КОНСТРУКЦИЯ (ЭЛЕКТРОПРОВОДКА)(№8-) КАБИНА ОПЕРАТОРА И СИСТЕМА УПРАВЛЕНИЯ
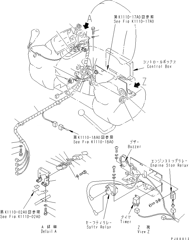
1
1
2
2
3
4
5
5
6
7
7
8
9
10
11
12
13
14
15
15
15
16
16
17
17
18
19
19
20
21
22
23
24
25
26
27
FIT
1:1
100%

Артикул

Название

Примечание

Количество

1

20U-06-21810

WIRING HARNESS

|1

20U-06-21119

WIRING HARNESS

|1

20U-06-21118

WIRING HARNESS

|1

08020-00000

DIODE

2

20T-06-71560

FUSE BOX

3

20U-06-21342

PLATE

4

08041-03000

FUSE¤ 30A

5

08041-01500

FUSE¤ 15A

6

08041-02000

FUSE¤ 20A

7

08041-01000

FUSE¤ 10A

8

21W-06-21152

BRACKET

9

01010-80816

BOLT

10

01643-30823

WASHER

11

20T-54-71550

BOLT

12

01643-70823

WASHER

13

08036-02514

CLIP

14

08036-02514

CLIP

15

08036-02514

CLIP

16

01010-81016

BOLT

17

01643-31032

WASHER

18

08037-05016

GROMMET

19

08037-03614

GROMMET

20

08034-20823

BAND

21

08034-00414

BAND

22

20S-06-31130

STARTING SWITCH,STARTING

23

20U-06-21331

WIRE

24

20U-06-22230

WIRING HARNESS

25

20U-06-21260

SWITCH,CANCEL

26

08037-03614

GROMMET

27

08037-01008

GROMMET

Выбрано товаров: 30