Запчасти Komatsu PC50UU-2 ГИДР. БАК. ГИДРАВЛИКА

Схема запчастей Komatsu PC50UU-2 - ГИДР. БАК. ГИДРАВЛИКА
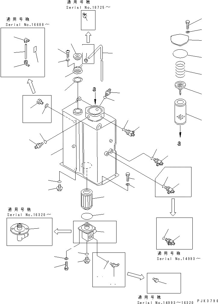
1
1A
1B
1B
2
3
4
5
6
7
8
9
10
11
12
13
14
15
16
17
18
19
19
20
20
21
22
23
24
25
26
27
28
29
30
31
32
33
33
34
35
35
36
36
37
38
39
40
41
FIT
1:1
100%

Артикул

Название

Примечание

Количество

|1

20U-60-00010

TANK ASS'Y

1

TANK

|1

20U-60-21111

TANK

1A

201-60-65240

TUBE

1B

203-60-31100

ELBOW ASS'Y

2

20N-60-11142

GAUGE,OIL LEVEL

|2

20N-60-11141

GAUGE,OIL LEVEL

3

20N-60-11181

GASKET

|3

20N-60-11180

GASKET

4

07044-12412

PLUG

5

07002-02434

O-RING

6

201-60-62150

COVER

7

07000-02135

O-RING

8

01010-81025

BOLT

9

01643-31032

WASHER

10

20X-60-22140

SPRING

11

201-60-62130

VALVE ASS'Y

12

07063-01054

ELEMENT

|12

201-60-71180

ELEMENT

|12

07063-01054

ELEMENT

13

201-60-12191

CAP ASS'Y

|13

201-60-12190

CAP ASS'Y

14

201-60-12172

FILLER NECK

|14

201-60-12171

FILLER NECK

15

20Y-60-21340

GASKET

|15

205-60-66211

GASKET

|15

205-60-51460

GASKET

16

01252-70516

BOLT

|16

01220-40516

SCREW

17

01601-20513

WASHER,SPRING

18

07270-00895

TUBE

19

07285-00095

CLIP

|19

07280-01110

CLAMP

20

20U-60-21121

TUBE

21

21E-60-11130

STRAINER

22

07000-02105

O-RING

23

01010-81020

BOLT

24

01643-31032

WASHER

25

07044-12412

PLUG

26

07002-02434

O-RING

27

07236-10628

ELBOW

|27

07230-20628

UNION

28

07002-02434

O-RING

29

07230-20522

UNION

30

07002-02434

O-RING

31

201-62-65280

TEE

|31

208-62-17550

TEE

32

07002-01423

O-RING

33

07040-12012

PLUG

|33

07235-10315

ELBOW

34

07002-02034

O-RING

35

203-62-58410

TEE

|35

203-62-58410

TEE

36

07002-01423

O-RING

|36

07002-01423

O-RING

37

201-62-65280

TEE

38

07002-01423

O-RING

39

01010-81235

BOLT

40

01643-31232

WASHER

41

20U-98-31320

PLATE

Выбрано товаров: 60