Качественные детали и логистика
Оригинальные и аналоговые запчасти с доставкой по России, Казахстану и Беларуси
©2022 PartSell ООО "Система" ИНН 2463123282 ОГРН 1212400004838
Центральный офис: г. Красноярск, Академика Киренского, д.87, пом.4
Телефон: 8 (800) 777-65-74 Email: zakaz@partsell.ru
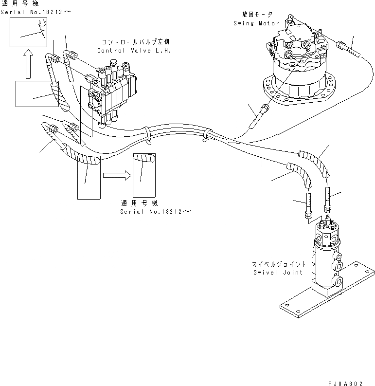
ЛИНИЯ АКТУАТОРА (ПОВОРОТН. И ОТВАЛ)(№99-)
№
Артикул
Название
Примечание
Количество
1
20U-62-24330
HOSE¤ 1030MM,GREEN
2
20U-62-24340
HOSE¤ 950MM,BROWN
3
20U-62-22881
HOSE¤ 800MM,ORANGE
4
21W-62-21180
HOSE¤ 850MM,GREY
5
08210-01803
SPIRAL TUBE
|5
203-62-32440
COVER
6
08210-02903
7
08210-02908
Выбрано товаров: 0