Качественные детали и логистика
Оригинальные и аналоговые запчасти с доставкой по России, Казахстану и Беларуси
©2022 PartSell ООО "Система" ИНН 2463123282 ОГРН 1212400004838
Центральный офис: г. Красноярск, Академика Киренского, д.87, пом.4
Телефон: 8 (800) 777-65-74 Email: zakaz@partsell.ru
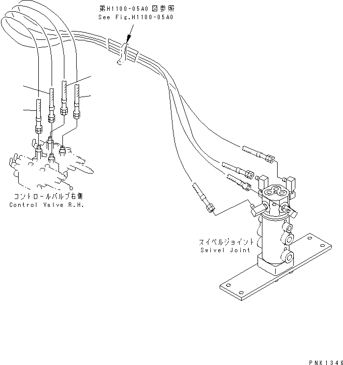
ЛИНИЯ АКТУАТОРА (ХОД)(№99-)
№
Артикул
Название
Примечание
Количество
1
20U-62-22821
HOSE¤ 1400MM,RED
2
20U-62-26130
HOSE¤ 1750MM,WHITE
3
21W-62-31310
HOSE¤ 1300MM,BLUE
4
20U-62-24220
HOSE¤ 1350MM,YELLOW
Выбрано товаров: 0