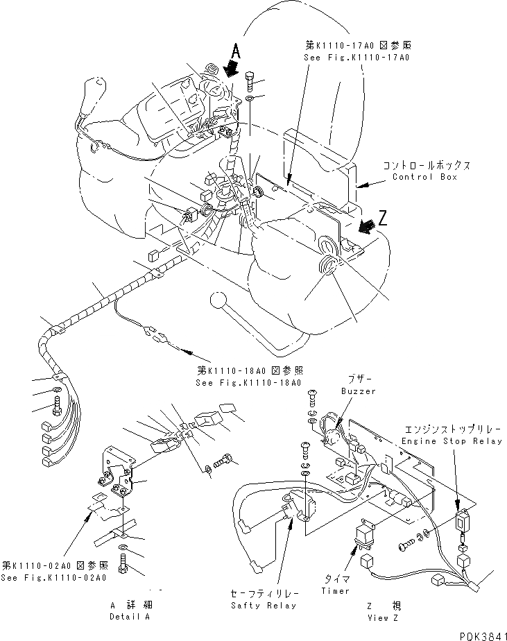
Запчасти Komatsu PC50UU-2 ОСНОВН. КОНСТРУКЦИЯ (ЭЛЕКТРОПРОВОДКА)(№99-8) КАБИНА ОПЕРАТОРА И СИСТЕМА УПРАВЛЕНИЯ

Схема запчастей Komatsu PC50UU-2 - ОСНОВН. КОНСТРУКЦИЯ (ЭЛЕКТРОПРОВОДКА)(№99-8) КАБИНА ОПЕРАТОРА И СИСТЕМА УПРАВЛЕНИЯ
1
1
2
2
3
4
5
5
6
7
8
9
10
11
12
13
14
15
16
16
16
17
17
18
18
19
20
20
21
22
23
24
25
26
27
28
FIT
1:1
100%

Артикул

Название

Примечание

Количество

1

20U-06-21117

WIRING HARNESS

1

20U-06-21116

HARNESS,WIRING

1

08020-00000

DIODE

2

20T-06-71560

FUSE BOX

3

20U-06-21342

PLATE,FUSE

4

201-06-61240

FUSE, 30A

5

205-06-73180

FUSE, 15A

6

22W-06-13160

FUSE, 20A

7

201-06-61240

FUSE, 30A

8

283-06-16190

FUSE, 10A

9

21W-06-21152

BRACKET

10

01010-80816

BOLT

11

01643-30823

WASHER

12

20T-54-71550

BOLT

13

01643-70823

WASHER

14

08036-02514

CLIP

15

08036-02514

CLIP

16

08036-02514

CLIP

17

01010-81016

BOLT

18

01643-31032

WASHER

19

08037-05016

GROMMET

20

08037-03614

GROMMET

21

08034-20823

BAND

22

08034-00414

BAND

23

20S-06-31130

STARTING SWITCH,STARTING

24

20U-06-21331

WIRE

25

20U-06-22230

WIRING HARNESS

26

20U-06-21260

SWITCH,CANCEL

27

08037-03614

GROMMET

28

08037-01008

GROMMET

Выбрано товаров: 30