Запчасти Komatsu PC50UU-2 КЛАПАН БЕЗОПАСНОСТИ(№-) ОСНОВН. КОМПОНЕНТЫ И РЕМКОМПЛЕКТЫ

Схема запчастей Komatsu PC50UU-2 - КЛАПАН БЕЗОПАСНОСТИ(№-) ОСНОВН. КОМПОНЕНТЫ И РЕМКОМПЛЕКТЫ
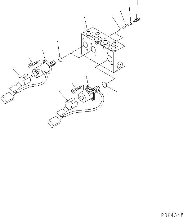
1
2
3
4
5
6
7
8
8
9
10
11
12
FIT
1:1
100%

Артикул

Название

Примечание

Количество

1

20U-60-22203

VALVE ASS'Y

1

20U-60-22202

VALVE ASS'Y

2

20U-60-32250

SOLENOID ASS'Y

2

20U-60-22251

SOLENOID ASS'Y

3

20U-60-22262

SOLENOID ASS'Y

3

20U-60-22261

SOLENOID ASS'Y

4

UC1301198007

O-RING

5

UC1300049005

O-RING

6

UC1301502002

BOLT

7

UC1301514005

BOLT

8

20U-60-22120

CLIP

9

UC1198273805

PLUG

10

UC1192231209

SPRING

11

UC1303007178

BALL

12

UC1301157006

O-RING

Выбрано товаров: 15