Запчасти Komatsu PC550LC-8 ВОЗВРАТ. ТРУБЫ (№78-) ВОЗВРАТ. ТРУБЫ

Схема запчастей Komatsu PC550LC-8 - ВОЗВРАТ. ТРУБЫ (№78-) ВОЗВРАТ. ТРУБЫ
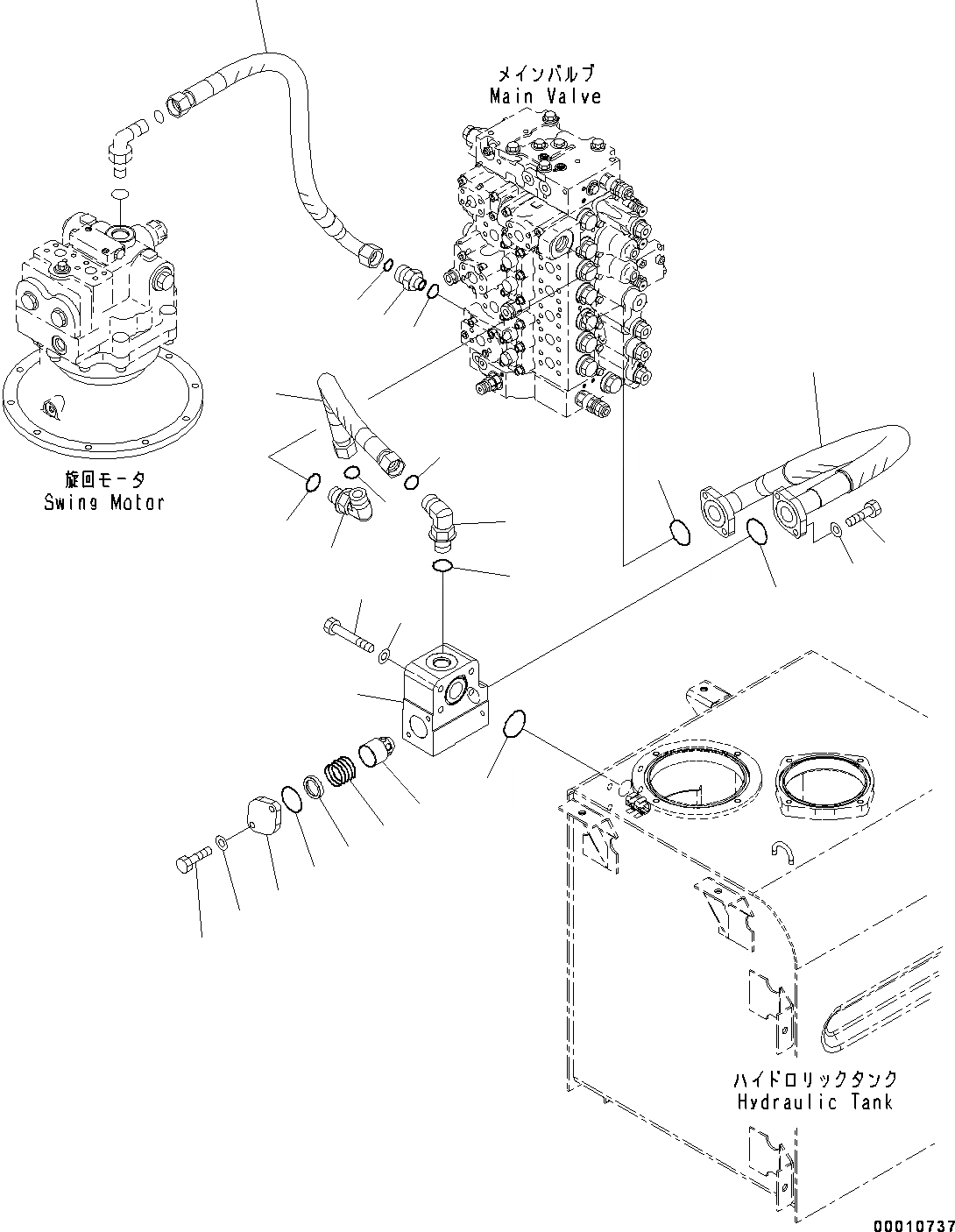
1
2
3
4
5
6
7
8
9
10
11
12
13
14
15
16
17
18
19
20
21
22
23
9
11
10
2
FIT
1:1
100%

Артикул

Название

Примечание

Количество

1

208-62-71240

Hose

2

07000-13048

O-ring

3

01010-81240

Bolt

4

01643-31232

Washer

5

208-62-71370

Hose

6

20U-62-41810

Nipple

7

207-62-64740

O-ring

8

07002-12434

O-ring

9

21W-62-42640

Elbow

10

207-62-64740

O-ring

11

07002-13334

O-ring

12

208-62-71380

Hose

13

208-62-71410

Block

14

205-60-71230

Poppet

15

706-76-71190

Spring

16

207-60-51170

Spacer

17

208-62-71420

Flange

18

07000-12060

O-ring

19

01010-81235

Bolt

20

01643-31232

Washer

21

07000-12060

O-ring

22

01010-81290

Bolt

23

01643-31232

Washer

Выбрано товаров: 0