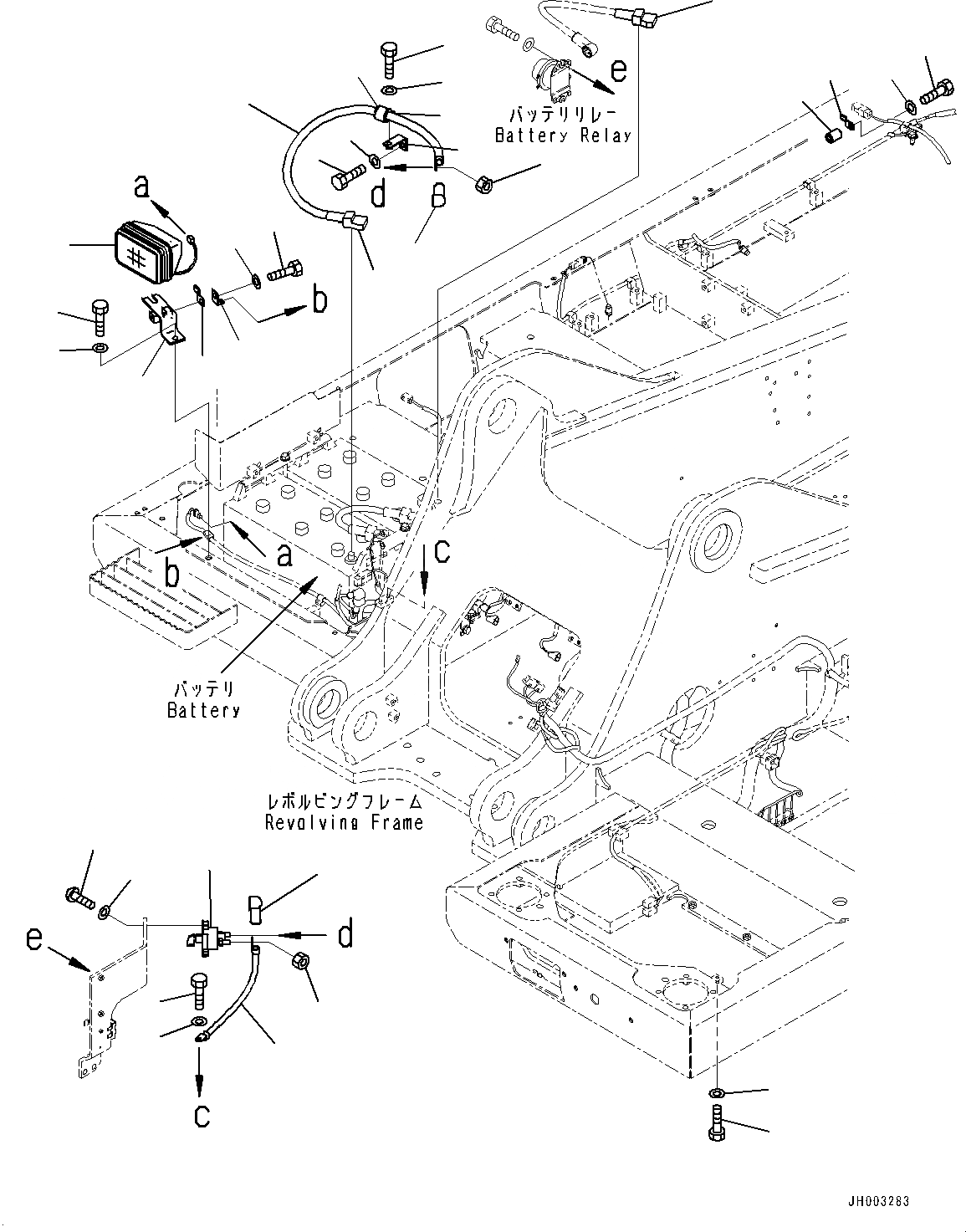
Запчасти Komatsu PC550LC-8 ЭЛЕКТРИЧ. ПРОВОДКА, ЛАМПА РАБОЧ. ОСВЕЩЕНИЯ (№78-) ЭЛЕКТРИЧ. ПРОВОДКА

Схема запчастей Komatsu PC550LC-8 - ЭЛЕКТРИЧ. ПРОВОДКА, ЛАМПА РАБОЧ. ОСВЕЩЕНИЯ (№78-) ЭЛЕКТРИЧ. ПРОВОДКА
22
1
1
8
23
2
3
17
20
21
15
4
14
9
13
12
11
10
9
8
7
6
1
4
5
18
19
16
28
27
29
26
25
24
FIT
1:1
100%

Артикул

Название

Примечание

Количество

1

08068-00001

Switch, Battery

2

08028-44040

Cable, Ground

3

08028-ED095

Cable, Ground

4

08038-00035

Cap, Terminal

5

04434-53212

Clip

6

07095-20523

Cushion

7

203-62-56381

Bracket

8

01010-81020

Bolt

9

01643-31032

Washer

10

01245-00830

Screw, Hexagon Socket Head

11

01643-70823

Washer

12

01010-81025

Bolt

13

01643-31032

Washer

14

08038-22511

Cap

15

08038-42511

Cap

16

21T-06-32810

Working Lamp Assembly

16

421-06-23330

Bulb, 70watt

17

20Y-06-31680

Bracket

18

01010-81230

Bolt

19

01643-31232

Washer

20

01010-81220

Bolt

21

01643-31232

Washer

22

08057-12012

Clip

23

08193-20012

Clip

24

01010-81016

Bolt

25

01643-31032

Washer

26

08193-20012

Clip

27

01010-81260

Bolt

28

01643-31232

Washer

29

142-03-11160

Spacer

Выбрано товаров: 30