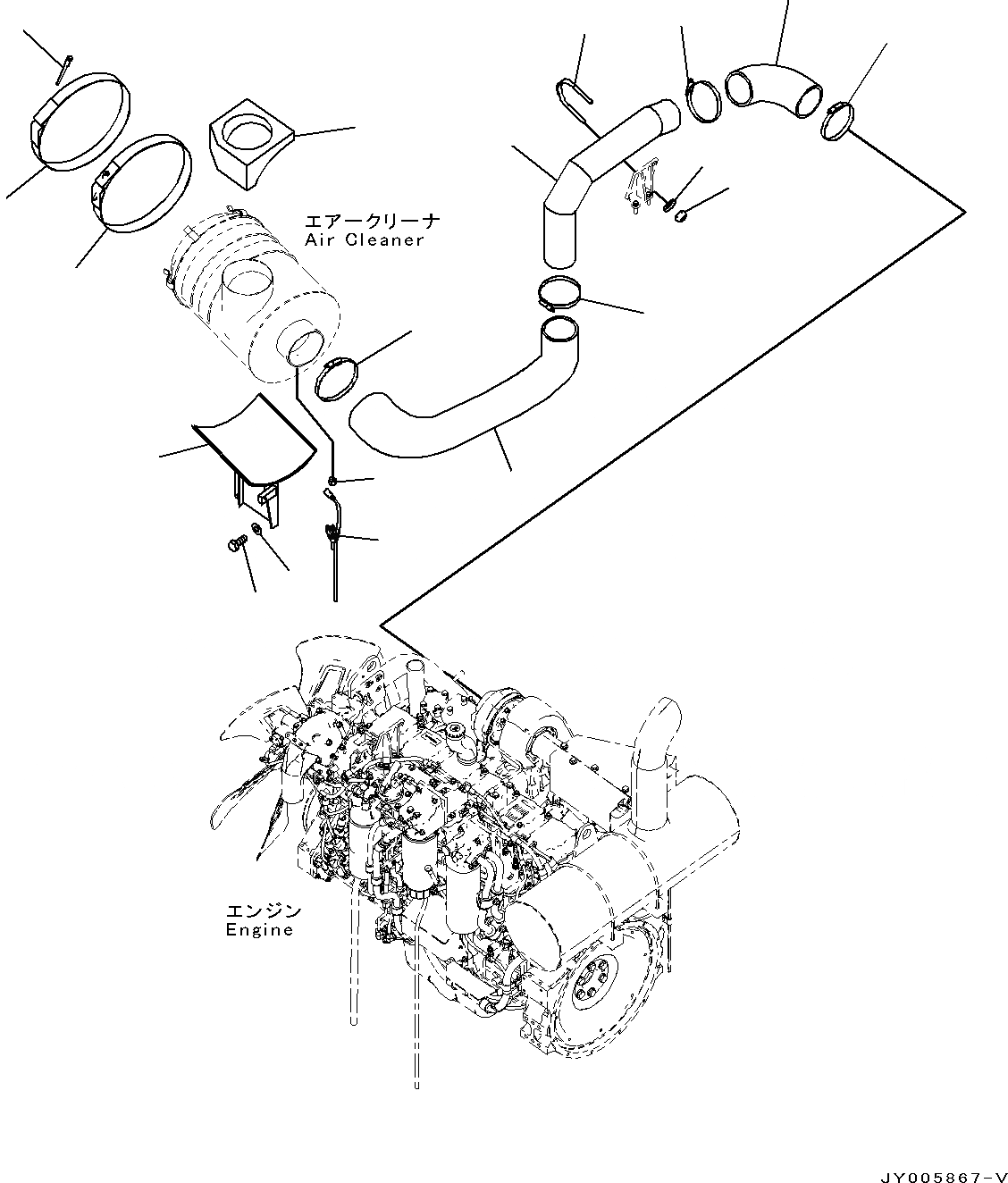
Запчасти Komatsu PC550LC-8 ВОЗДУХООЧИСТИТЕЛЬ, (/) (№78-) ВОЗДУХООЧИСТИТЕЛЬ

Схема запчастей Komatsu PC550LC-8 - ВОЗДУХООЧИСТИТЕЛЬ, (/) (№78-) ВОЗДУХООЧИСТИТЕЛЬ
6
15
8
12
14
13
11
16
16
10
9
5
4
1
1
2
17
7
3
FIT
1:1
100%

Артикул

Название

Примечание

Количество

1

6151-11-9970

Band Assembly

2

6643-11-4641

Bolt

3

208-01-75220

Bracket

4

01010-81225

Bolt

5

01643-31232

Washer

6

11Y-01-11920

Joint

7

208-01-72310

Seal

8

208-01-72111

Hose

9

208-01-72180

Clamp

10

07299-00130

Clamp

11

208-01-72151

Tube

12

07283-31185

Clip

13

01597-01211

Nut

14

01643-31232

Washer

15

208-01-72161

Hose

16

07299-00130

Clamp

17

7861-93-1421

Sensor

Выбрано товаров: 0