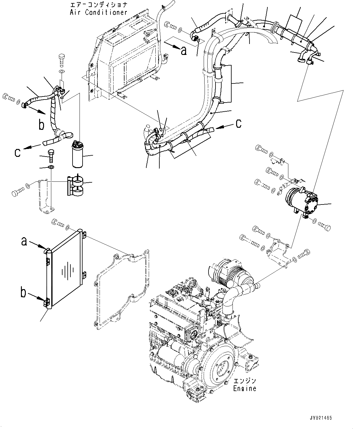
Запчасти Komatsu PC55MR-3 ДВИГАТЕЛЬ БЛОК, ТРУБКИ КОНДИЦИОНЕРА (/) (№7-) ДВИГАТЕЛЬ БЛОК, С КОНДИЦИОНЕРОМ, ДЛЯ КРОМЕ ЯПОН., КАБИНА ROPS

Схема запчастей Komatsu PC55MR-3 - ДВИГАТЕЛЬ БЛОК, ТРУБКИ КОНДИЦИОНЕРА (/) (№7-) ДВИГАТЕЛЬ БЛОК, С КОНДИЦИОНЕРОМ, ДЛЯ КРОМЕ ЯПОН., КАБИНА ROPS
16
20
8
14
11
10
11
7
11
9
11
15
12
14
19
15
7
13
18
20
19
17
3
4
2
1
5
6
FIT
1:1
100%

Артикул

Название

Примечание

Количество

1

22L-979-2200

Compressor

2

22L-979-2222

Condenser

3

22L-979-2232

Receiver

4

22M-979-2550

Bracket

5

01010-80616

Bolt

6

01643-30623

Washer

7

22M-979-3311

Hose

8

AN51439-D0041

O-ring

9

22M-979-3650

Sheet

10

22M-979-3660

Sheet

11

08034-20519

Band

12

22M-979-2640

Sheet

13

22M-979-3670

Sheet

14

08034-20519

Band

15

22M-979-3321

Hose

16

AN51439-D0051

O-ring

17

22M-979-2331

Hose

18

AN51439-D0031

O-ring

19

22M-979-3340

Hose

20

AN51439-D0031

O-ring

Выбрано товаров: 0