Запчасти Komatsu PC55MR-3 КАБИНА, ПОЛ, PPC ТРУБЫ ДЛЯ ХОД КЛАПАН (№-) КАБИНА, -ДОПОЛН. АКТУАТОР ТРУБЫ, KOMTRAX, GPRS, С КОНДИЦИОНЕРОМ

Схема запчастей Komatsu PC55MR-3 - КАБИНА, ПОЛ, PPC ТРУБЫ ДЛЯ ХОД КЛАПАН (№-) КАБИНА, -ДОПОЛН. АКТУАТОР ТРУБЫ, KOMTRAX, GPRS, С КОНДИЦИОНЕРОМ
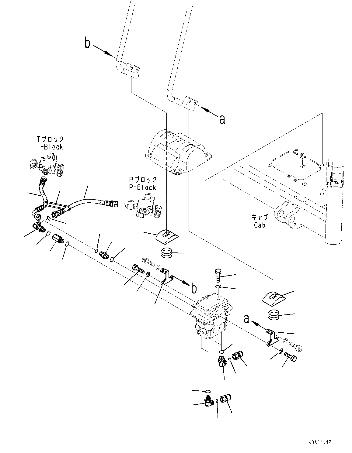
1
2
3
4
5
6
7
8
9
13
21
14
15
16
17
19
18
20
16
17
14
15
13
8
10
21
12
11
10
12
11
FIT
1:1
100%

Артикул

Название

Примечание

Количество

1

01010-81025

Bolt

2

01643-31032

Washer

3

11Y-62-12140

Nipple

4

07000-12011

O-ring

5

02896-11008

O-ring

6

21W-62-43970

Elbow

7

20T-910-8660

Nipple

8

07000-12011

O-ring

9

02896-11008

O-ring

10

21K-62-73110

Elbow

11

02896-11008

O-ring

12

07000-12011

O-ring

13

22F-43-31120

Lever

14

203-43-51620

Spring

15

20Y-43-21140

Cover

16

01010-81030

Bolt

17

01643-31032

Washer

18

22F-62-33410

Hose

19

22M-62-23160

Hose

20

08034-20519

Band

21

22M-62-23330

Joint

Выбрано товаров: 21