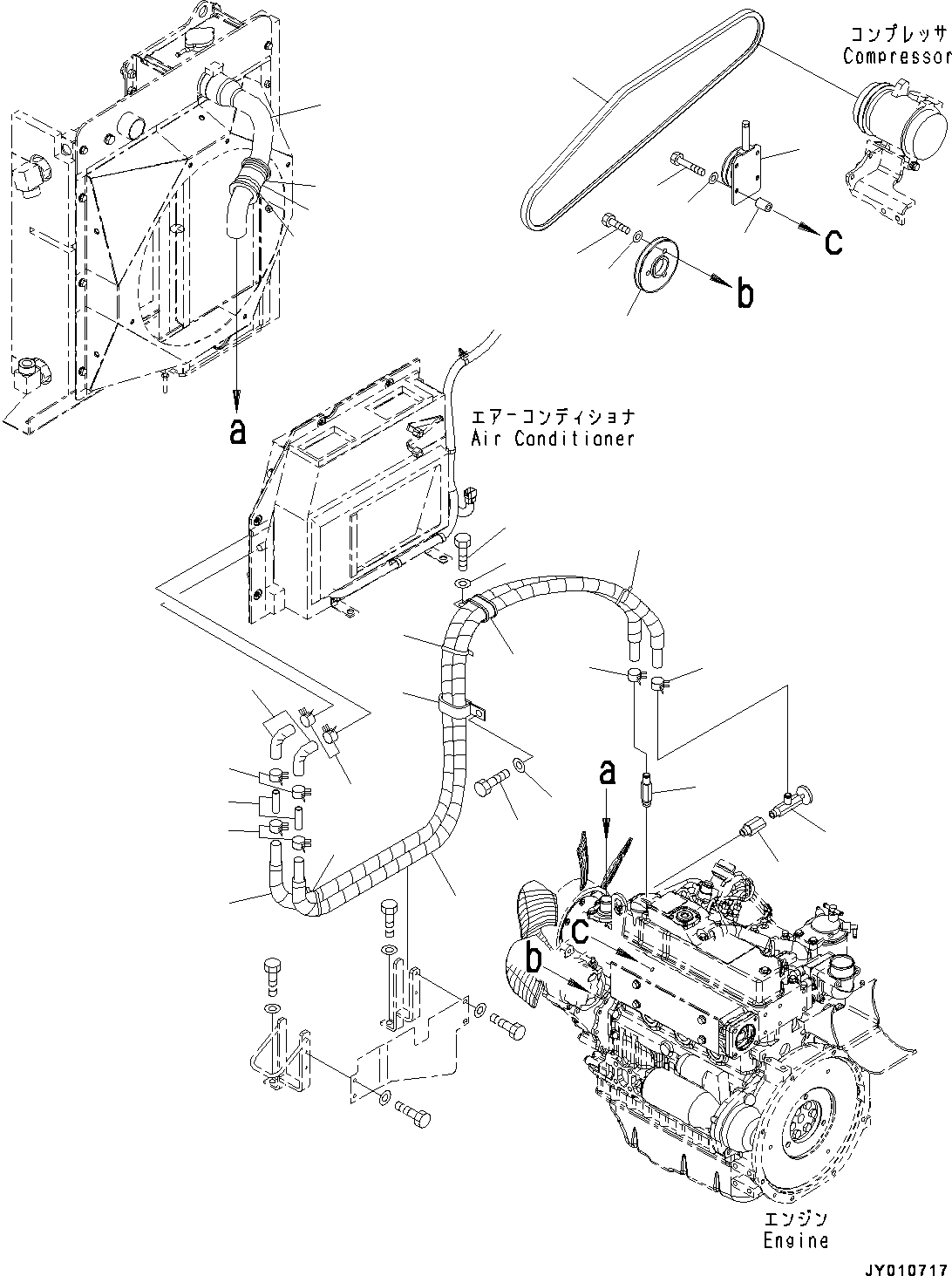
Запчасти Komatsu PC55MR-3 БЛОК КОНДИЦИОНЕРА, (/) (№-) БЛОК КОНДИЦИОНЕРА, ДЛЯ КАБИНА ROPS

Схема запчастей Komatsu PC55MR-3 - БЛОК КОНДИЦИОНЕРА, (/) (№-) БЛОК КОНДИЦИОНЕРА, ДЛЯ КАБИНА ROPS
17
27
18
18
26
19
20
21
22
23
24
25
15
16
12
14
13
11
8
10
7
9
9
4
9
5
8
6
1
2
3
9
9
FIT
1:1
100%

Артикул

Название

Примечание

Количество

1

09482-50000

Valve, Water

2

22M-977-2330

Nipple

3

22M-977-2312

Nipple

4

09484-00450

Connector

5

22M-979-3350

Hose

6

22M-979-3360

Hose

7

09483-30450

Hose

8

08034-20834

Band

9

11Y-09-11160

Clip

10

08034-40521

Band

11

22M-977-1140

Clip

12

01010-81020

Bolt

13

01643-31032

Washer

14

22M-977-1140

Clip

15

01010-81025

Bolt

16

01643-31032

Washer

17

07095-01245

Cushion

18

08034-20823

Band

19

20T-978-8280

Pulley Assembly, Idle

20

6130-12-4581

Spacer

21

01010-80850

Bolt

22

01643-30823

Washer

23

20U-978-2340

Pulley

24

01010-81025

Bolt

25

01643-31032

Washer

26

20T-978-8480

V-belt

27

22M-03-31440

Hose

Выбрано товаров: 27