Запчасти Komatsu PC55MR-3 ЭЛЕКТРИЧ. ПРОВОДКА, УПРАВЛ-Е ПОДАЧ. ТОПЛИВА МОТОР (№-) ЭЛЕКТРИЧ. ПРОВОДКА, С АВТОМАТИЧ. DECELERATOR, ПРОПОРЦИОНАЛЬН. РЫЧАГ УПРАВЛ-Я

Схема запчастей Komatsu PC55MR-3 - ЭЛЕКТРИЧ. ПРОВОДКА, УПРАВЛ-Е ПОДАЧ. ТОПЛИВА МОТОР (№-) ЭЛЕКТРИЧ. ПРОВОДКА, С АВТОМАТИЧ. DECELERATOR, ПРОПОРЦИОНАЛЬН. РЫЧАГ УПРАВЛ-Я
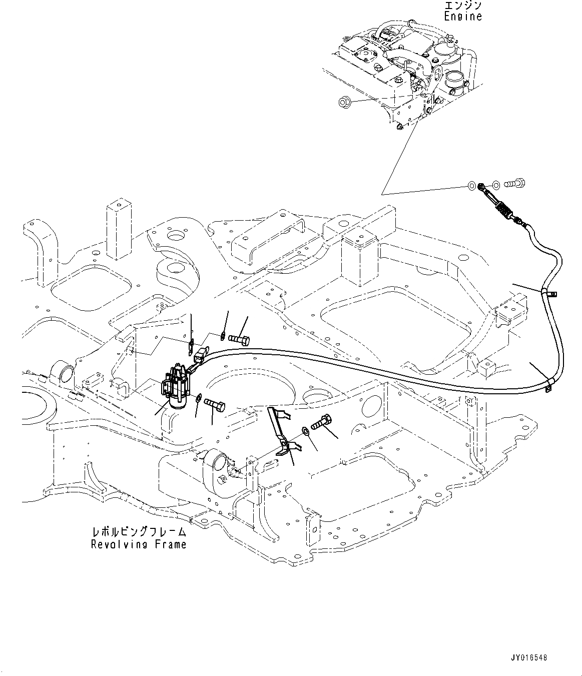
1
3
4
5
6
2
7
8
9
10
11
FIT
1:1
100%

Артикул

Название

Примечание

Количество

1

22M-972-3312

Motor Assembly

2

01010-80616

Bolt

3

01643-30623

Washer

4

08193-21012

Clip

5

01010-80816

Bolt

6

01643-30823

Washer

7

04434-51008

Clip

8

04434-51010

Clip

9

22M-972-3161

Bracket

10

01010-81020

Bolt

11

01643-31032

Washer

Выбрано товаров: 11