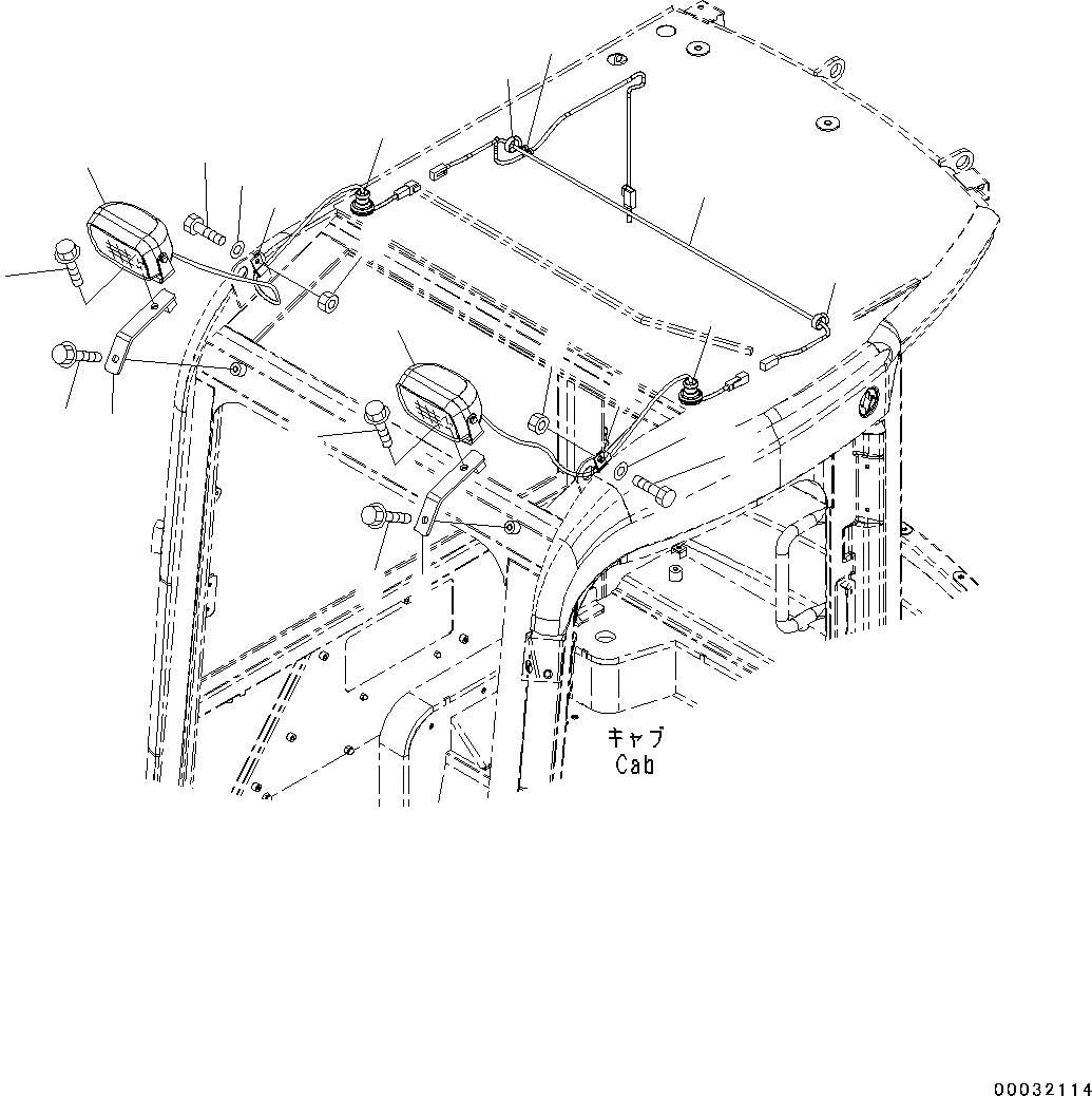
Запчасти Komatsu PC55MR-3 ДОПОЛН. ЛАМПА РАБОЧ. ОСВЕЩЕНИЯ (№-) ДОПОЛН. ЛАМПА РАБОЧ. ОСВЕЩЕНИЯ, ДЛЯ КАБИНЫ, ПЕРЕДН.
8
1
2
1
2
5
3
5
3
9
6
8
7
6
9
10
7
4
4
12
12
11
FIT
1:1
100%
№
Артикул
Название
Примечание
Количество
1
22M-54-25931
Plate
2
01435-41020
Bolt
3
22M-06-25921
Lamp Assembly
3
BNBY-2309410-2
Lens
3
BNBY-2165210-2
Bulb
4
08037-11825
Grommet
5
01435-41020
Bolt
6
04434-51708
Clip
7
01010-D0820
Bolt
8
01643-70823
Washer
9
01580-10806
Nut
10
22M-06-24211
Wiring Harness
11
08034-40521
Band
12
20Y-54-51220
Clip
Выбрано товаров: 14