Запчасти Komatsu PC55MR-3 ДВИГАТЕЛЬ БЛОК, ТРУБКИ КОНДИЦИОНЕРА (/) (№-) ДВИГАТЕЛЬ БЛОК, С КОНДИЦИОНЕРОМ, ДЛЯ КРОМЕ ЯПОН., КАБИНА ROPS

Схема запчастей Komatsu PC55MR-3 - ДВИГАТЕЛЬ БЛОК, ТРУБКИ КОНДИЦИОНЕРА (/) (№-) ДВИГАТЕЛЬ БЛОК, С КОНДИЦИОНЕРОМ, ДЛЯ КРОМЕ ЯПОН., КАБИНА ROPS
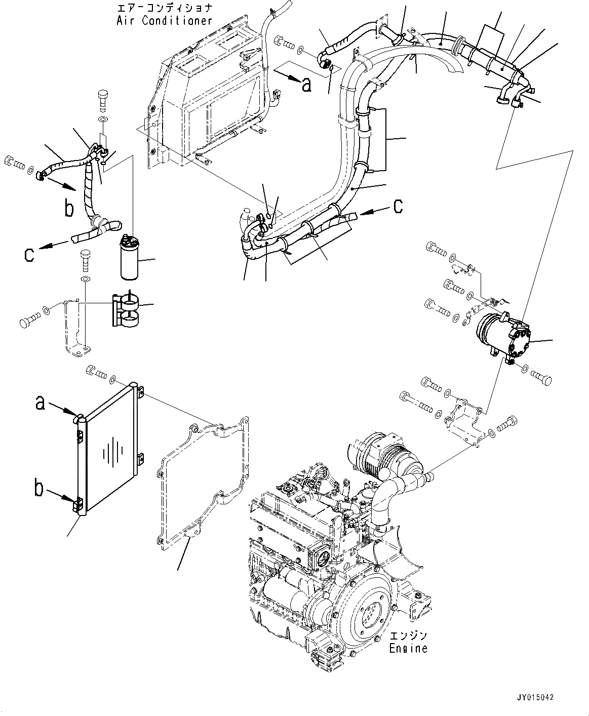
14
18
6
12
9
8
9
5
9
7
9
13
10
12
17
13
5
11
16
18
17
15
3
4
1
2
19
FIT
1:1
100%

Артикул

Название

Примечание

Количество

1

22L-979-2200

Compressor

2

22L-979-2222

Condenser

3

22L-979-2232

Receiver

4

22M-979-2550

Bracket

5

22M-979-3311

Hose

6

AN51439-D0041

O-ring

7

22M-979-3650

Sheet

8

22M-979-3660

Sheet

9

08034-20519

Band

10

22M-979-2640

Sheet

11

22M-979-3670

Sheet

12

08034-20519

Band

13

22M-979-3321

Hose

14

AN51439-D0051

O-ring

15

22M-979-2331

Hose

16

AN51439-D0031

O-ring

17

22M-979-3340

Hose

18

AN51439-D0031

O-ring

19

22M-979-3241

Bracket

Выбрано товаров: 19