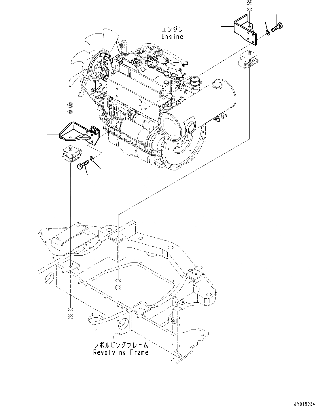
Запчасти Komatsu PC55MR-3 ДВИГАТЕЛЬ БЛОК, КРЕПЛЕНИЕ (№-7) ДВИГАТЕЛЬ БЛОК, С КОНДИЦИОНЕРОМ, ДЛЯ КРОМЕ ЯПОН., КАБИНА ROPS

Схема запчастей Komatsu PC55MR-3 - ДВИГАТЕЛЬ БЛОК, КРЕПЛЕНИЕ (№-7) ДВИГАТЕЛЬ БЛОК, С КОНДИЦИОНЕРОМ, ДЛЯ КРОМЕ ЯПОН., КАБИНА ROPS
4
5
6
1
2
3
FIT
1:1
100%

Артикул

Название

Примечание

Количество

1

20U-01-41122

Bracket,R.H.

2

01010-81025

Bolt

3

01643-31032

Washer

4

22M-01-31111

Bracket,L.H.

5

01010-81025

Bolt

6

01643-31032

Washer

Выбрано товаров: 6