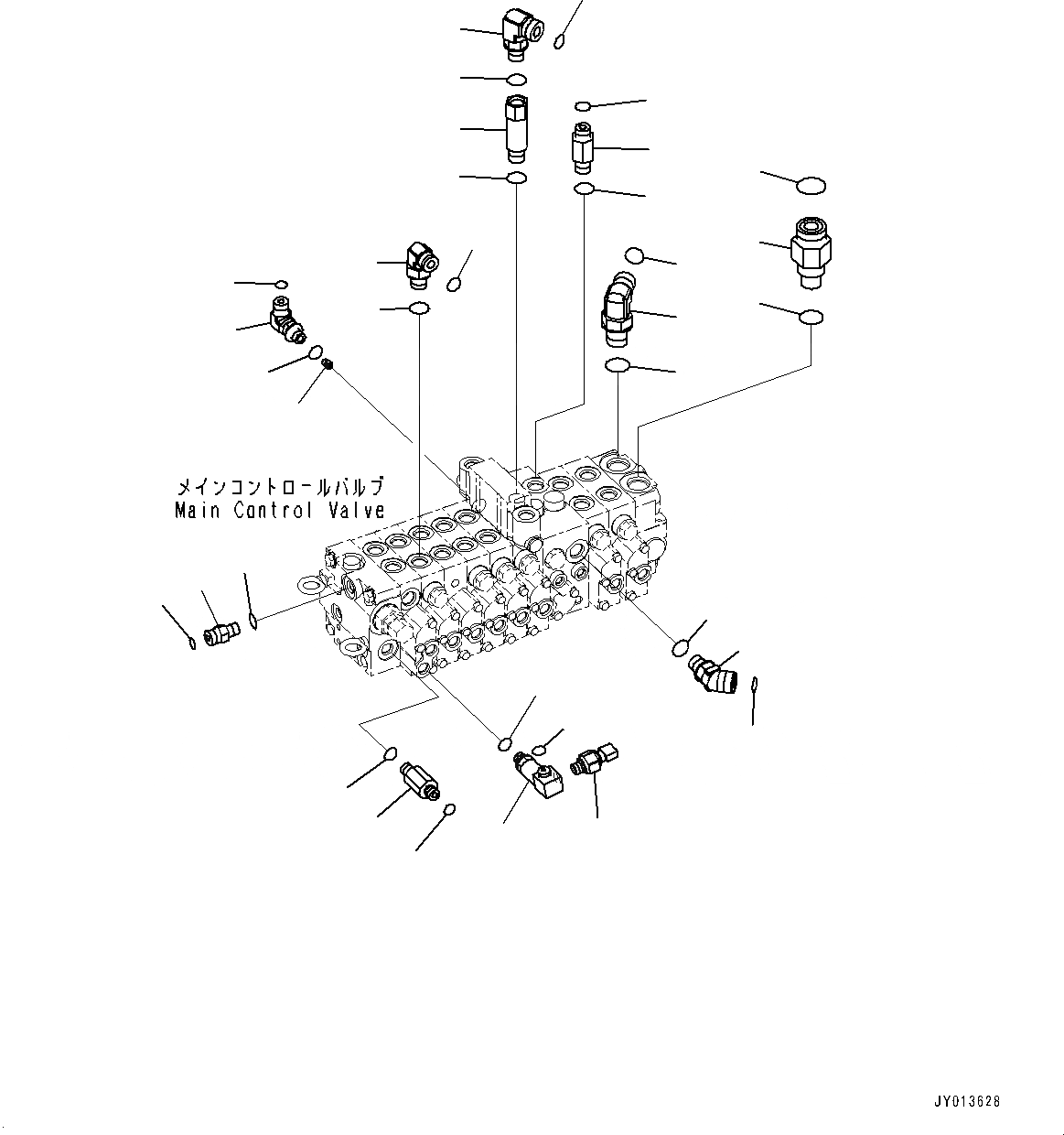
Запчасти Komatsu PC55MR-3 УПРАВЛЯЮЩ. КЛАПАН, СОЕДИНИТЕЛЬН. ЧАСТИ (/) (№-) УПРАВЛЯЮЩ. КЛАПАН, 9-СЕКЦИОНН., ДЛЯ АВТОМАТИЧ. DECELERATOR, ПРОПОРЦИОНАЛЬН. РЫЧАГ УПРАВЛ-Я

Схема запчастей Komatsu PC55MR-3 - УПРАВЛЯЮЩ. КЛАПАН, СОЕДИНИТЕЛЬН. ЧАСТИ (/) (№-) УПРАВЛЯЮЩ. КЛАПАН, 9-СЕКЦИОНН., ДЛЯ АВТОМАТИЧ. DECELERATOR, ПРОПОРЦИОНАЛЬН. РЫЧАГ УПРАВЛ-Я
20
21
22
23
32
33
34
1
2
3
4
5
7
8
9
10
11
12
13
14
15
24
25
26
27
28
29
30
31
6
18
17
16
19
FIT
1:1
100%

Артикул

Название

Примечание

Количество

1

02782-10522

Elbow

2

02896-11015

O-ring

3

07002-12434

O-ring

4

22L-62-22621

Union

5

207-62-64740

O-ring

6

07002-12434

O-ring

7

20U-62-41940

Union

8

02896-11009

O-ring

9

07002-11823

O-ring

10

02781-0031D

Nipple

11

02896-11009

O-ring

12

07002-11423

O-ring

13

20U-62-41890

Nipple

14

02896-11008

O-ring

15

07002-11423

O-ring

16

22M-62-35530

Elbow

17

02896-11008

O-ring

18

07002-11423

O-ring

19

7861-93-1840

Sensor

19

07000-12011

O-ring

|$20

20U-60-42261

Elbow Assembly

20

20U-62-41910

Elbow

21

11Y-62-12730

Orifice

22

02896-11009

O-ring

23

07002-11423

O-ring

24

22M-62-21461

Elbow

25

02896-11015

O-ring

26

07002-11834

O-ring

27

22M-62-21380

Elbow

28

02896-11015

O-ring

29

07002-11823

O-ring

30

20U-62-32480

Joint

31

07002-11823

O-ring

32

02782-10420

Elbow

33

02896-11012

O-ring

34

07002-11823

O-ring

Выбрано товаров: 36