Запчасти Komatsu PC55MR-3 КОРПУС ДЛЯ ПРОПОРЦИОНАЛЬН. PRESSURE УПРАВЛ-Е (PPC) КЛАПАН ТРУБЫ (№-) КОРПУС ДЛЯ ПРОПОРЦИОНАЛЬН. PRESSURE УПРАВЛ-Е (PPC) КЛАПАН ТРУБЫ, БЕЗ MULTI SHIFT PATTERN КЛАПАН СЕЛЕКТОРА

Схема запчастей Komatsu PC55MR-3 - КОРПУС ДЛЯ ПРОПОРЦИОНАЛЬН. PRESSURE УПРАВЛ-Е (PPC) КЛАПАН ТРУБЫ (№-) КОРПУС ДЛЯ ПРОПОРЦИОНАЛЬН. PRESSURE УПРАВЛ-Е (PPC) КЛАПАН ТРУБЫ, БЕЗ MULTI SHIFT PATTERN КЛАПАН СЕЛЕКТОРА
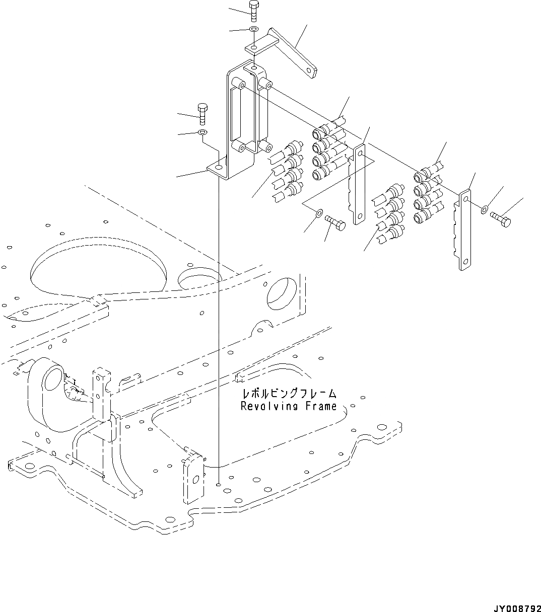
1
9
5
8
6
3
4
7
4
5
2
6
11
10
10
12
FIT
1:1
100%

Артикул

Название

Примечание

Количество

1

22M-62-24150

Bracket

2

01010-81020

Bolt

3

01643-31032

Washer

4

22F-62-12630

Plate

5

01010-80820

Bolt

6

01643-30823

Washer

7

22M-54-31931

Bracket

8

01010-80820

Bolt

9

01643-30823

Washer

10

22F-62-33280

Hose

|$10

22F-62-33280

Hose

11

22F-62-33260

Hose

|$12

22F-62-33260

Hose

12

22M-62-32550

Hose

Выбрано товаров: 14