Запчасти Komatsu PC55MR-3 УПРАВЛЯЮЩ. КЛАПАН, СОЕДИНИТЕЛЬН. ЧАСТИ (/) (№-) УПРАВЛЯЮЩ. КЛАПАН, 9-СЕКЦИОНН., ДЛЯ АВТОМАТИЧ. DECELERATOR, ПРОПОРЦИОНАЛЬН. РЫЧАГ УПРАВЛ-Я

Схема запчастей Komatsu PC55MR-3 - УПРАВЛЯЮЩ. КЛАПАН, СОЕДИНИТЕЛЬН. ЧАСТИ (/) (№-) УПРАВЛЯЮЩ. КЛАПАН, 9-СЕКЦИОНН., ДЛЯ АВТОМАТИЧ. DECELERATOR, ПРОПОРЦИОНАЛЬН. РЫЧАГ УПРАВЛ-Я
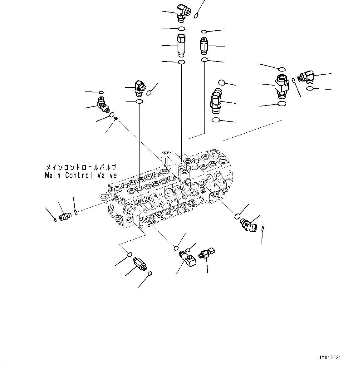
16
17
18
21
20
19
22
37
36
35
26
25
24
23
1
2
3
10
11
12
13
14
15
27
28
29
30
31
32
33
34
7
8
9
6
4
5
FIT
1:1
100%

Артикул

Название

Примечание

Количество

1

02782-10522

Elbow

2

02896-11015

O-ring

3

07002-12434

O-ring

4

22L-973-2130

Tee

5

207-62-64740

O-ring

6

07002-12434

O-ring

7

22M-62-21380

Elbow

8

02896-11015

O-ring

9

07002-11823

O-ring

10

20U-62-41940

Union

11

02896-11009

O-ring

12

07002-11823

O-ring

13

02781-0031D

Nipple

14

02896-11009

O-ring

15

07002-11423

O-ring

16

20U-62-41890

Nipple

17

02896-11008

O-ring

18

07002-11423

O-ring

19

22M-62-35530

Elbow

20

02896-11008

O-ring

21

07002-11423

O-ring

22

7861-93-1840

Sensor

22

07000-12011

O-ring

23

20U-62-41910

Elbow

24

11Y-62-12730

Orifice

25

02896-11009

O-ring

26

07002-11423

O-ring

27

22M-62-21461

Elbow

28

02896-11015

O-ring

29

07002-11834

O-ring

30

22M-62-21380

Elbow

31

02896-11015

O-ring

32

07002-11823

O-ring

33

20U-62-32480

Joint

34

07002-11823

O-ring

35

02782-10420

Elbow

36

02896-11012

O-ring

37

07002-11823

O-ring

Выбрано товаров: 0