Запчасти Komatsu PC55MR-3 ПОРШЕНЬ НАСОС, СОЕДИНИТЕЛЬН. ЧАСТИ (№-) ПОРШЕНЬ НАСОС, С КОНДИЦИОНЕРОМ

Схема запчастей Komatsu PC55MR-3 - ПОРШЕНЬ НАСОС, СОЕДИНИТЕЛЬН. ЧАСТИ (№-) ПОРШЕНЬ НАСОС, С КОНДИЦИОНЕРОМ
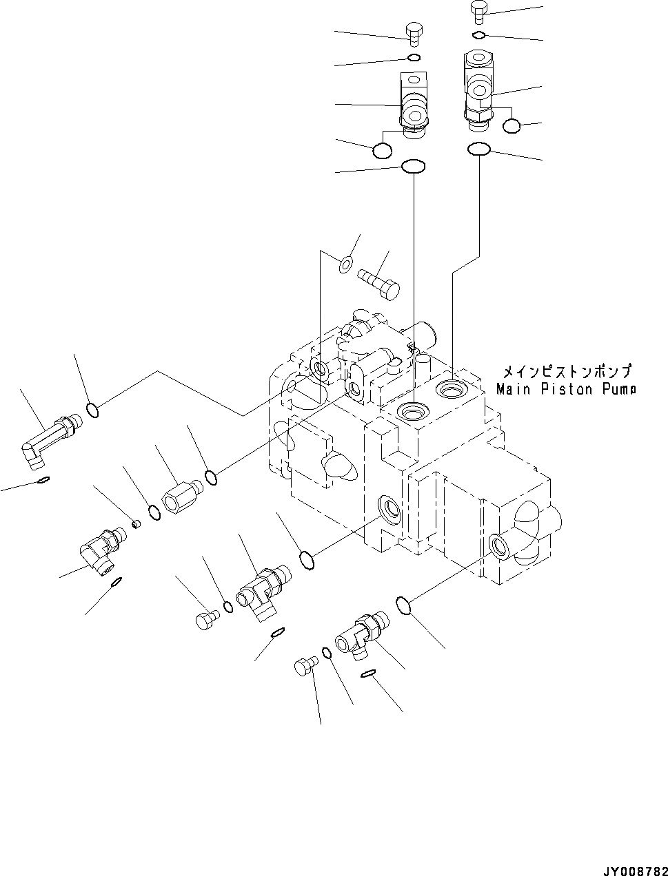
13
14
12
10
11
9
15
16
16
15
16
15
5
4
3
8
7
6
15
16
1
2
24
25
23
22
21
19
20
18
17
FIT
1:1
100%

Артикул

Название

Примечание

Количество

1

01010-81240

Bolt

2

01643-31232

Washer

3

22M-62-21480

Elbow

4

02896-11015

O-ring

5

07002-12034

O-ring

6

22M-62-21470

Elbow

7

02896-11015

O-ring

8

07002-12034

O-ring

9

20U-Y14-7660

Elbow

10

02896-11012

O-ring

11

07002-11823

O-ring

12

22M-62-21390

Elbow

13

02896-11008

O-ring

14

07002-11823

O-ring

15

07040-11007

Plug

16

07002-11023

O-ring

|$16

20U-60-42261

Elbow Assembly

17

20U-62-41910

Elbow

18

11Y-62-12730

Orifice

19

02896-11009

O-ring

20

07002-11423

O-ring

21

21M-62-16350

Adapter

22

07002-11423

O-ring

23

02782-10212

Elbow

24

02896-11008

O-ring

25

07002-11423

O-ring

Выбрано товаров: 0