Качественные детали и логистика
Оригинальные и аналоговые запчасти с доставкой по России, Казахстану и Беларуси
©2022 PartSell ООО "Система" ИНН 2463123282 ОГРН 1212400004838
Центральный офис: г. Красноярск, Академика Киренского, д.87, пом.4
Телефон: 8 (800) 777-65-74 Email: zakaz@partsell.ru
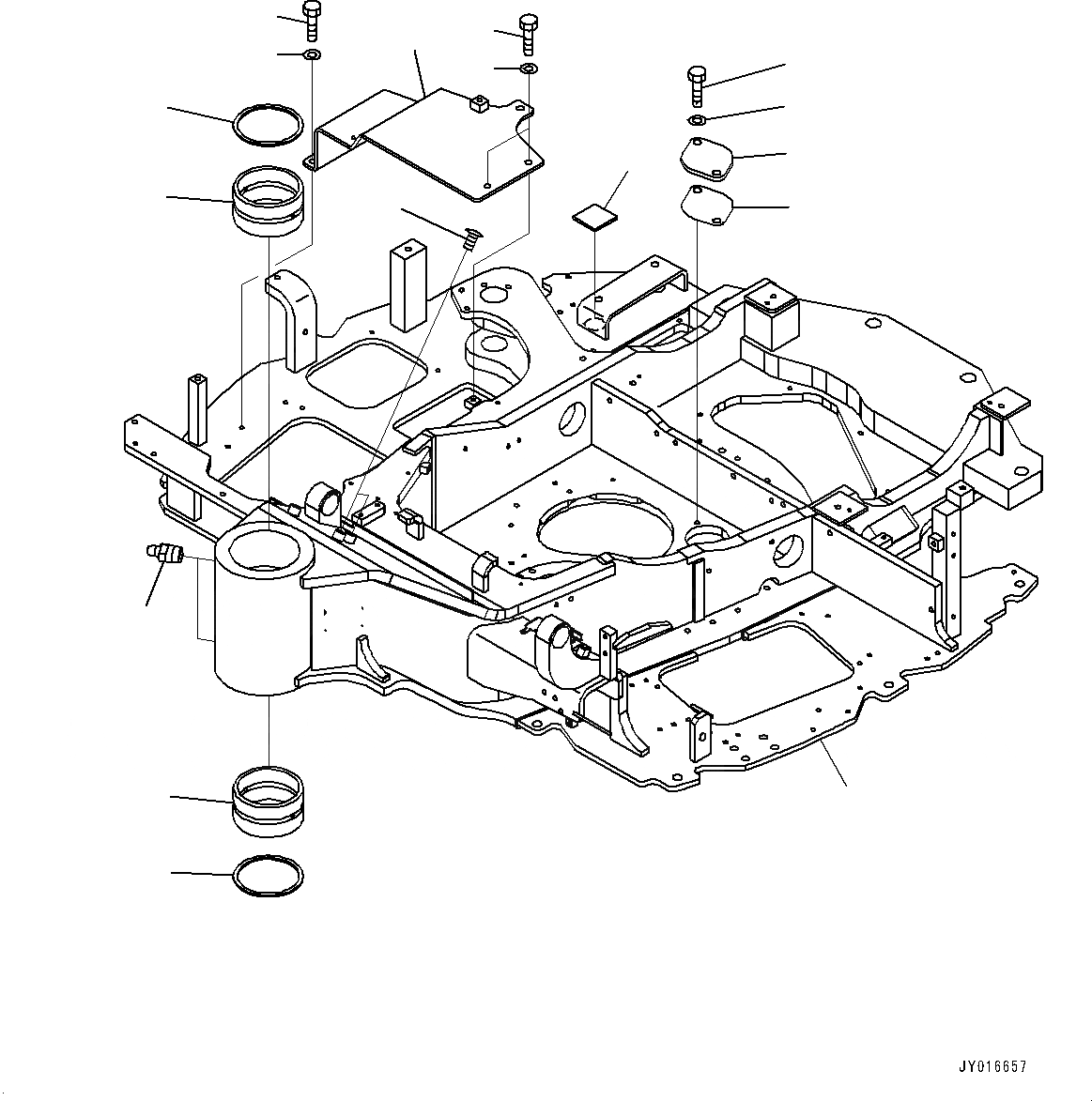
ОСНОВНАЯ РАМА (№-)
№
Артикул
Название
Примечание
Количество
1
22N-46-31900
Frame Assembly
2
22M-70-31531
Bushing
3
07145-00120
Seal, Dust
4
07020-00000
Fitting, Grease
5
203-46-56160
Cover
6
203-46-61520
Gasket
7
01010-81230
Bolt
8
01643-31232
Washer
9
22M-46-22210
Sheet
10
22M-46-31121
Plate
11
01010-81025
12
01643-31032
13
21U-70-31390
Cap
Выбрано товаров: 0