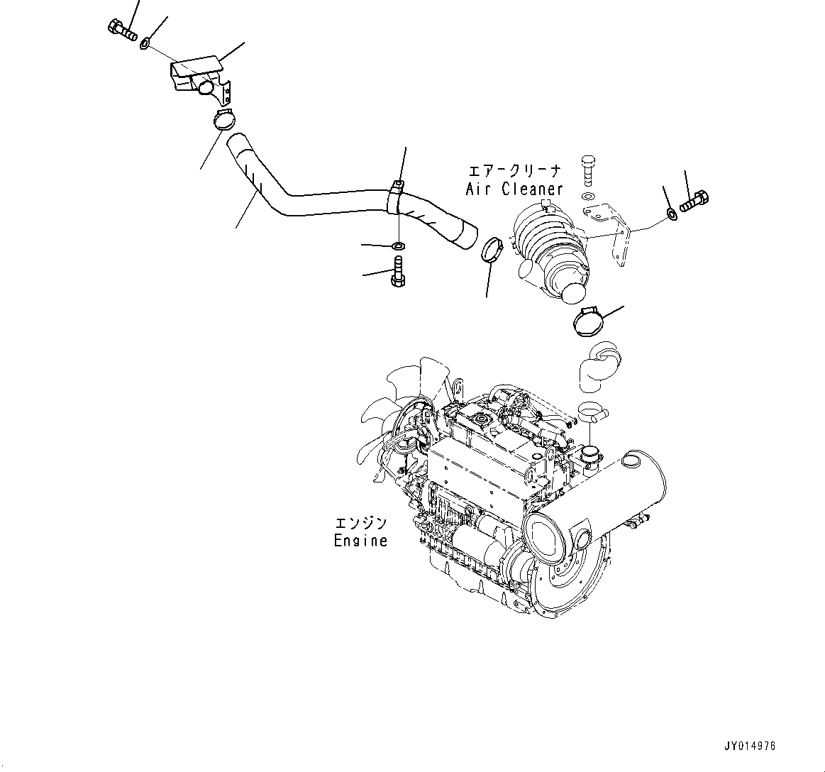
Запчасти Komatsu PC55MR-3 ВОЗДУХООЧИСТИТЕЛЬ, ВОЗДУХООЧИСТИТЕЛЬ КОМПОНЕНТЫ (/) (№-) ВОЗДУХООЧИСТИТЕЛЬ, ОДИНОЧН. ЭЛЕМЕНТ ТИП, КРОМЕ ЯПОН.

Схема запчастей Komatsu PC55MR-3 - ВОЗДУХООЧИСТИТЕЛЬ, ВОЗДУХООЧИСТИТЕЛЬ КОМПОНЕНТЫ (/) (№-) ВОЗДУХООЧИСТИТЕЛЬ, ОДИНОЧН. ЭЛЕМЕНТ ТИП, КРОМЕ ЯПОН.
5
11
12
1
2
8
7
6
3
4
9
10
FIT
1:1
100%

Артикул

Название

Примечание

Количество

1

01010-81225

Bolt

2

01643-31232

Washer

3

22M-01-31321

Hose

4

07281-00709

Clamp

5

07281-00809

Clamp, Hose

6

22M-62-13480

Clip

7

01010-81030

Bolt

8

01643-31032

Washer

9

07281-00909

Clamp, Hose

10

22M-01-31911

Cover

11

01010-81020

Bolt

12

01643-31032

Washer

Выбрано товаров: 0