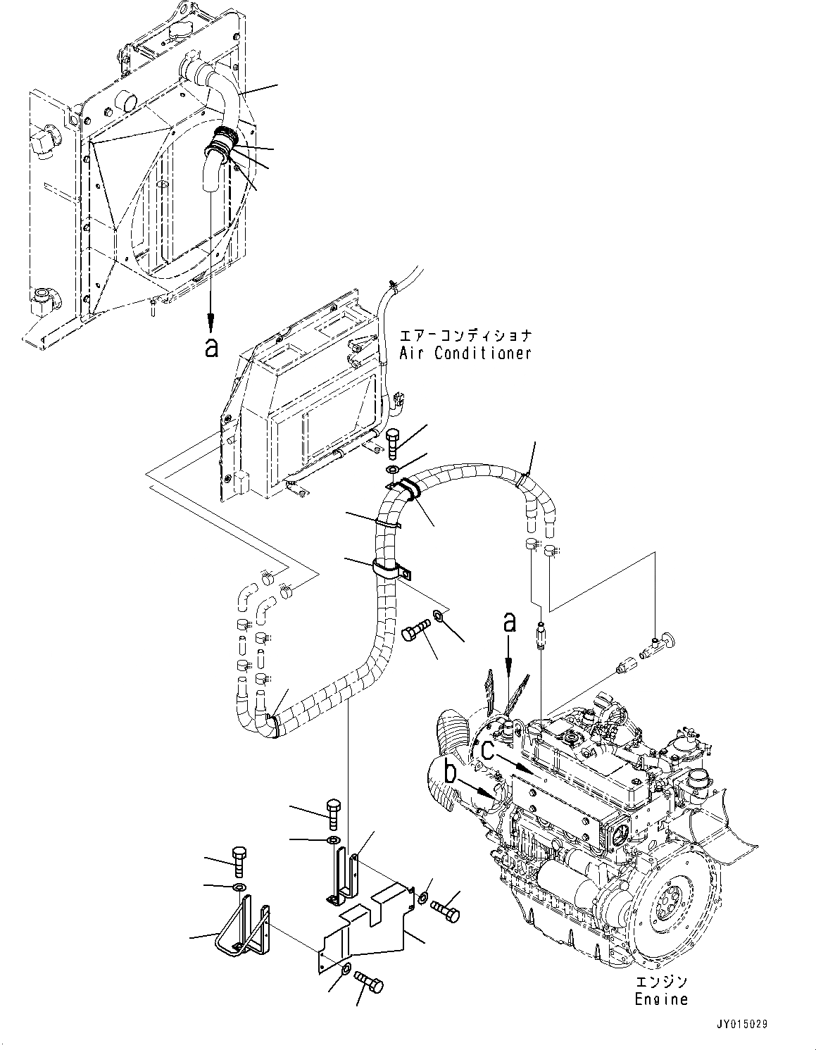
Запчасти Komatsu PC55MR-3 БЛОК КОНДИЦИОНЕРА, (/) (№7-) БЛОК КОНДИЦИОНЕРА, ДЛЯ КАБИНА ROPS

Схема запчастей Komatsu PC55MR-3 - БЛОК КОНДИЦИОНЕРА, (/) (№7-) БЛОК КОНДИЦИОНЕРА, ДЛЯ КАБИНА ROPS
18
20
19
19
16
17
13
15
14
12
10
11
10
1
2
3
4
5
6
7
8
9
8
9
FIT
1:1
100%

Артикул

Название

Примечание

Количество

1

22M-979-3260

Bracket

2

01010-81020

Bolt

3

01643-31032

Washer

4

22M-979-3270

Bracket

5

01010-81020

Bolt

6

01643-31032

Washer

7

22M-979-3281

Plate

8

01010-80610

Bolt

9

01643-30623

Washer

10

08034-20834

Band

11

08034-40521

Band

12

22M-977-1140

Clip

13

01010-81020

Bolt

14

01643-31032

Washer

15

22M-977-1140

Clip

16

01010-81025

Bolt

17

01643-31032

Washer

18

07095-01245

Cushion

19

08034-20823

Band

20

22M-03-31440

Hose

Выбрано товаров: 0