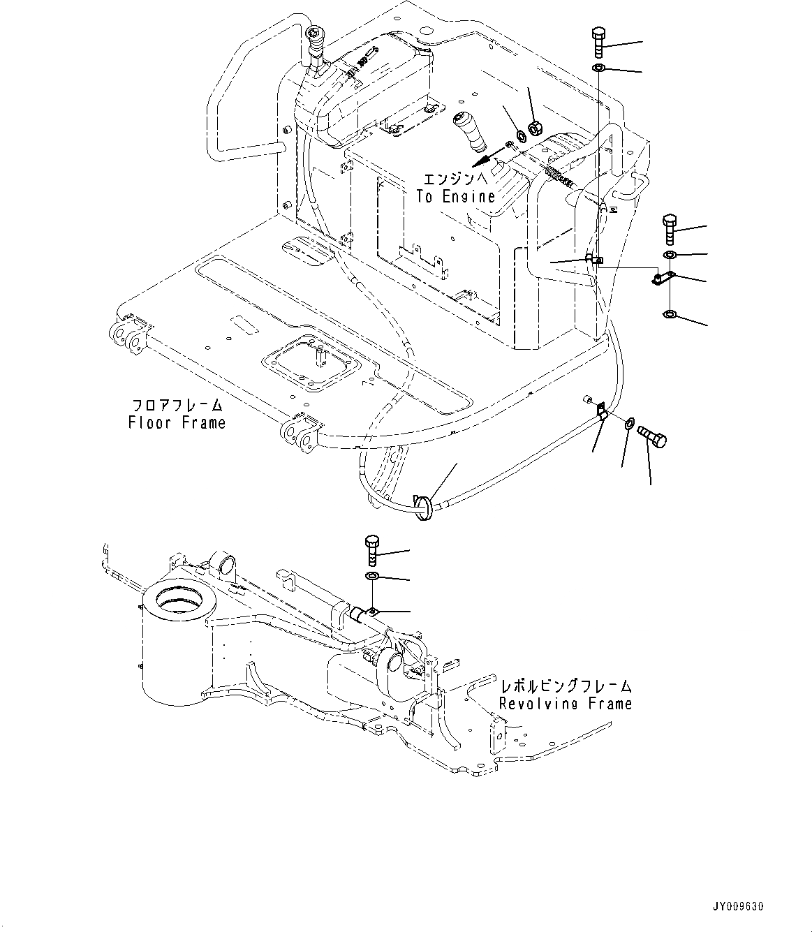
Запчасти Komatsu PC55MR-3 КРЕПЛЕНИЕ ПОЛАING, КАБЕЛЬ КРЕПЛЕНИЕ (№-) КРЕПЛЕНИЕ ПОЛАING, ДЛЯ НАВЕСА

Схема запчастей Komatsu PC55MR-3 - КРЕПЛЕНИЕ ПОЛАING, КАБЕЛЬ КРЕПЛЕНИЕ (№-) КРЕПЛЕНИЕ ПОЛАING, ДЛЯ НАВЕСА
3
5
2
1
8
11
4
10
9
7
6
7
6
14
13
12
FIT
1:1
100%

Артикул

Название

Примечание

Количество

1

01580-10605

Nut

2

01643-30623

Washer

3

08034-40521

Band

4

04434-51408

Clip

5

04434-51410

Clip

6

01010-80816

Bolt

7

01643-30823

Washer

8

22M-54-26991

Bracket

9

01010-81020

Bolt

10

01643-31032

Washer

11

01643-30823

Washer

12

04434-52711

Clip

13

01010-80820

Bolt

14

01643-30823

Washer

Выбрано товаров: 14