Качественные детали и логистика
Оригинальные и аналоговые запчасти с доставкой по России, Казахстану и Беларуси
©2022 PartSell ООО "Система" ИНН 2463123282 ОГРН 1212400004838
Центральный офис: г. Красноярск, Академика Киренского, д.87, пом.4
Телефон: 8 (800) 777-65-74 Email: zakaz@partsell.ru
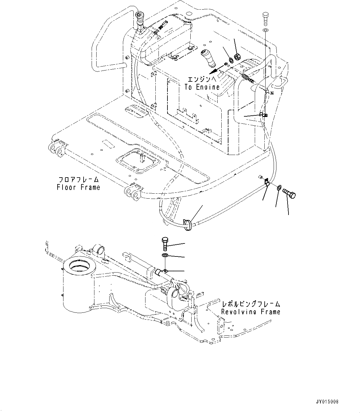
КРЕПЛЕНИЕ ПОЛАING, КАБЕЛЬ КРЕПЛЕНИЕ (№7-)
№
Артикул
Название
Примечание
Количество
1
01580-10605
Nut
2
01643-30623
Washer
3
08034-40521
Band
4
04434-51408
Clip
5
04434-51410
6
01010-81020
Bolt
7
01643-31032
8
04434-52711
9
01010-80820
10
01643-30823
Выбрано товаров: 0