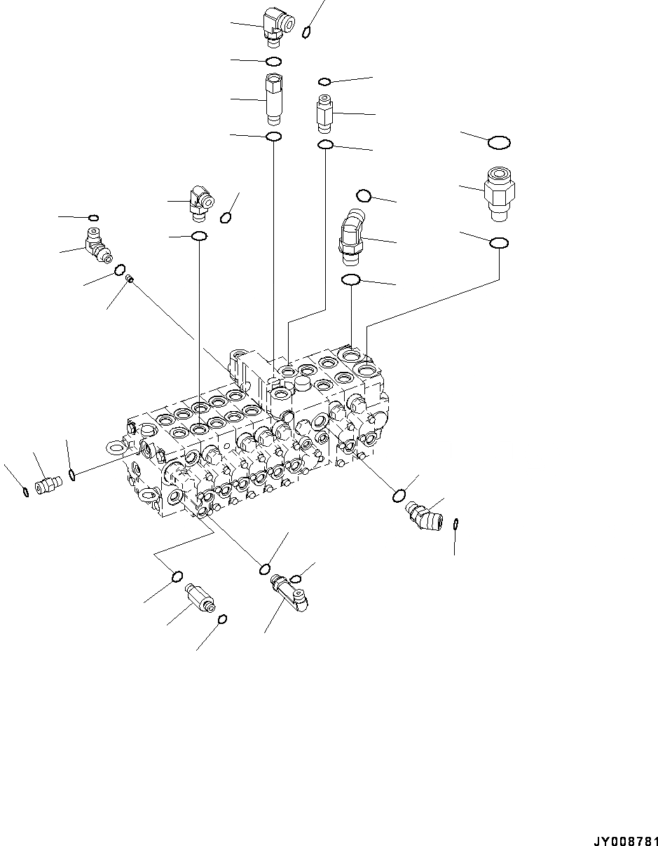
/ / / / / / / УПРАВЛЯЮЩ. КЛАПАН, СОЕДИНИТЕЛЬН. ЧАСТИ (/) (№-)
Запчасти Komatsu PC55MR-3 УПРАВЛЯЮЩ. КЛАПАН, СОЕДИНИТЕЛЬН. ЧАСТИ (/) (№-) УПРАВЛЯЮЩ. КЛАПАН, 8-СЕКЦИОНН.
19
20
21
22
31
32
33
1
2
3
4
5
7
8
9
10
11
12
13
14
15
23
24
25
26
27
28
29
30
6
18
17
16
1
02782-10522
Elbow
2
02896-11015
O-ring
3
07002-12434
O-ring
4
22L-62-22621
Union
5
207-62-64740
O-ring
6
07002-12434
O-ring
7
20U-62-41940
Union
8
02896-11009
O-ring
9
07002-11823
O-ring
10
02781-0031D
Nipple
11
02896-11009
O-ring
12
07002-11423
O-ring
13
20U-62-41890
Nipple
14
02896-11008
O-ring
15
07002-11423
O-ring
16
02782-10212
Elbow
17
02896-11008
O-ring
18
07002-11423
O-ring
|$18
20U-60-42261
Elbow Assembly
19
20U-62-41910
Elbow
20
11Y-62-12730
Orifice
21
02896-11009
O-ring
22
07002-11423
O-ring
23
22M-62-21461
Elbow
24
02896-11015
O-ring
25
07002-11834
O-ring
26
22M-62-21380
Elbow
27
02896-11015
O-ring
28
07002-11823
O-ring
29
20U-62-32480
Joint
30
07002-11823
O-ring
31
02782-10420
Elbow
32
02896-11012
O-ring
33
07002-11823
O-ring
Выбрано товаров: 0