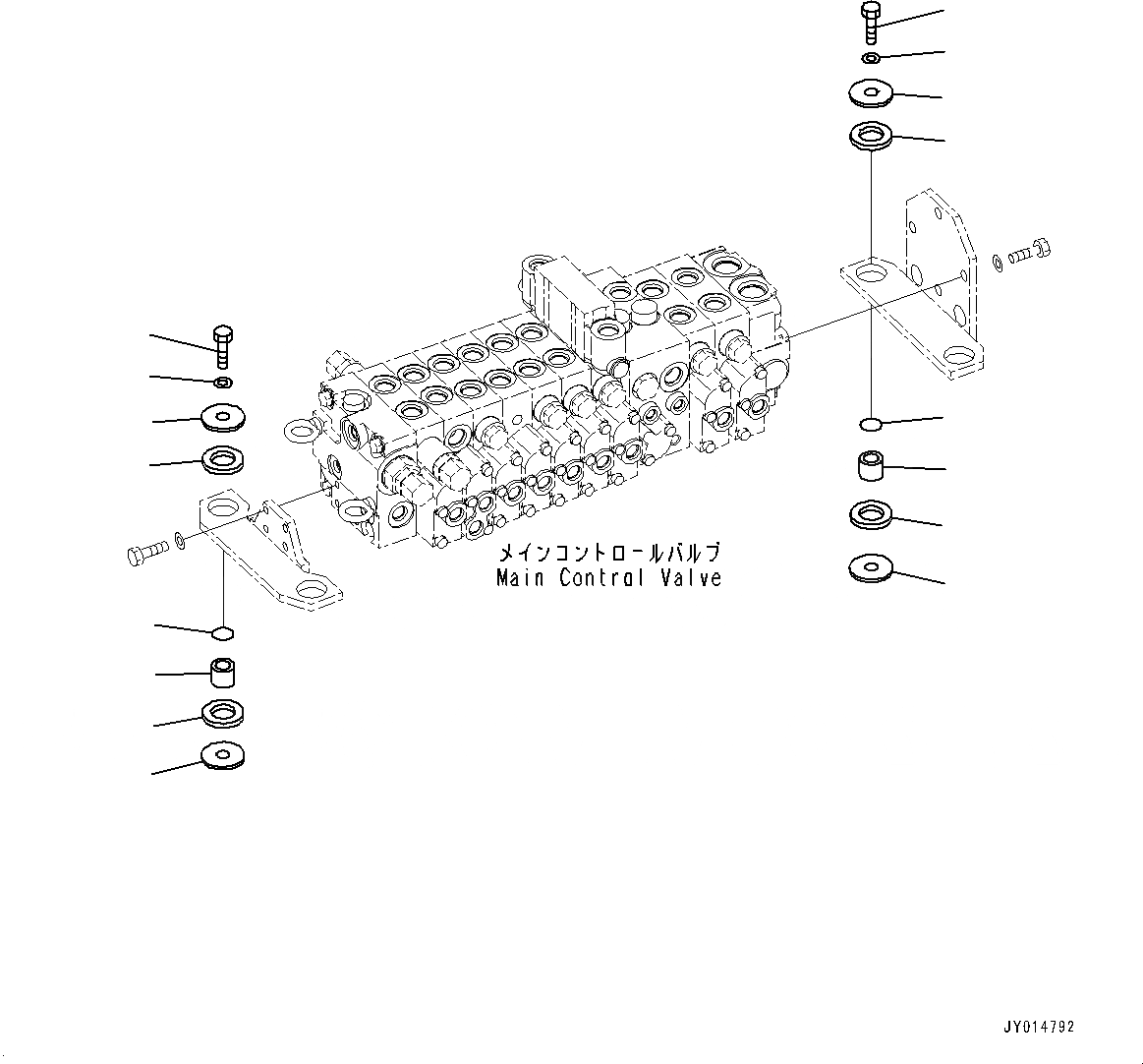
Запчасти Komatsu PC55MR-3 УПРАВЛЯЮЩ. КЛАПАН С СЕРВИСНЫМ КЛАПАНОМ, КРЕПЛЕНИЕ (№-) УПРАВЛЯЮЩ. КЛАПАН С СЕРВИСНЫМ КЛАПАНОМ, 9-СЕКЦИОНН., ДЛЯ -ДОПОЛН. АКТУАТОР ТРУБЫ, ВЫСОК. ЕМК.

Схема запчастей Komatsu PC55MR-3 - УПРАВЛЯЮЩ. КЛАПАН С СЕРВИСНЫМ КЛАПАНОМ, КРЕПЛЕНИЕ (№-) УПРАВЛЯЮЩ. КЛАПАН С СЕРВИСНЫМ КЛАПАНОМ, 9-СЕКЦИОНН., ДЛЯ -ДОПОЛН. АКТУАТОР ТРУБЫ, ВЫСОК. ЕМК.
3
1
1
2
3
4
5
6
4
3
2
1
3
1
5
6
FIT
1:1
100%

Артикул

Название

Примечание

Количество

1

201-910-6730

Cushion

2

07002-12434

O-ring

3

415-64-13120

Washer

4

22M-60-22130

Collar

5

01010-81040

Bolt

6

01643-31032

Washer

Выбрано товаров: 6