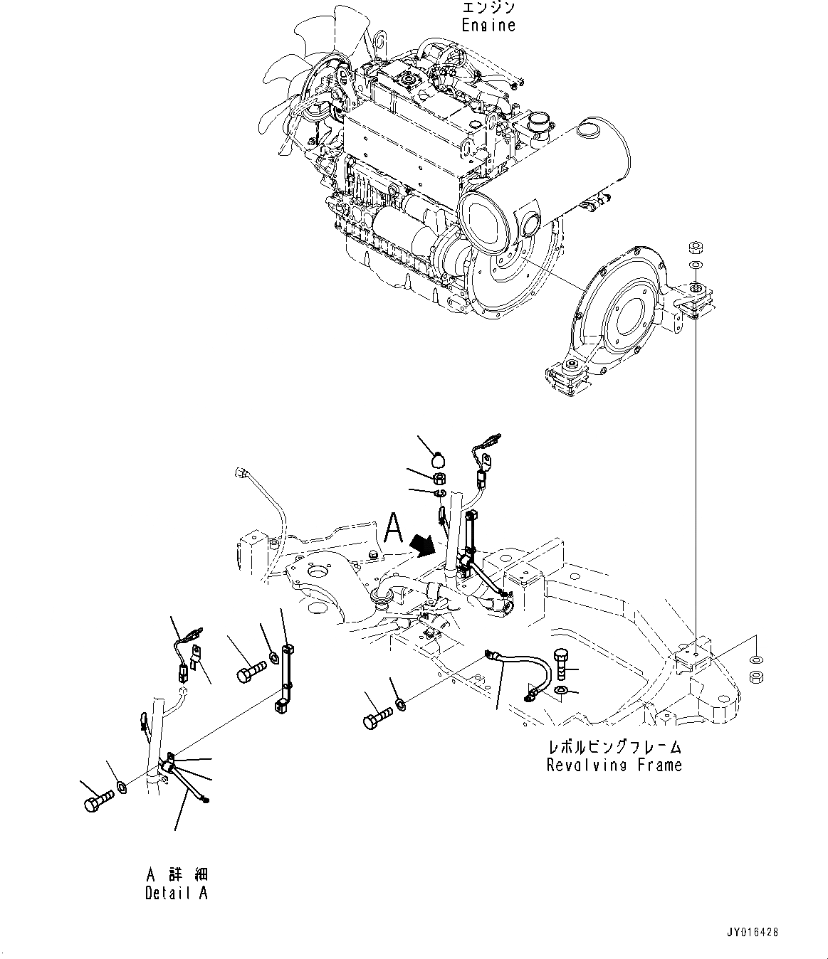
Запчасти Komatsu PC55MR-3 ДВИГАТЕЛЬ БЛОК, ПРОВОДКА КРЕПЛЕНИЕ (№7-) ДВИГАТЕЛЬ БЛОК, ДЛЯ НАВЕСА, КРОМЕ ЯПОН.

Схема запчастей Komatsu PC55MR-3 - ДВИГАТЕЛЬ БЛОК, ПРОВОДКА КРЕПЛЕНИЕ (№7-) ДВИГАТЕЛЬ БЛОК, ДЛЯ НАВЕСА, КРОМЕ ЯПОН.
2
4
3
1
12
13
15
16
10
6
8
9
7
11
13
12
14
5
FIT
1:1
100%

Артикул

Название

Примечание

Количество

1

08038-10525

Cap

2

20U-06-41250

Cable

3

01010-81020

Bolt

4

01643-31032

Washer

5

08193-20010

Clip

6

22M-06-31341

Bracket

7

01010-80835

Bolt

8

01643-30823

Washer

9

22M-06-21250

Wire

10

07095-20211

Cushion

11

04434-51610

Clip

12

01010-81020

Bolt

13

01643-31032

Washer

14

7861-93-3320

Sensor, Oil Temperature

15

01602-20619

Washer

16

01580-10605

Nut

Выбрано товаров: 0