Запчасти Komatsu PC55MR-3 УПРАВЛЯЮЩ. КЛАПАН, ПОДАЮЩ. ТРУБЫ (№-) УПРАВЛЯЮЩ. КЛАПАН, -СЕКЦ., PROVISION ДЛЯ -ДОПОЛН. АКТУАТОР ТРУБЫ, ВЫСОК. ЕМК., ОТВ. С ИЗМ. УГЛОМ DOZER, ДЛЯ СЕВ. АМЕРИКИ

Схема запчастей Komatsu PC55MR-3 - УПРАВЛЯЮЩ. КЛАПАН, ПОДАЮЩ. ТРУБЫ (№-) УПРАВЛЯЮЩ. КЛАПАН, -СЕКЦ., PROVISION ДЛЯ -ДОПОЛН. АКТУАТОР ТРУБЫ, ВЫСОК. ЕМК., ОТВ. С ИЗМ. УГЛОМ DOZER, ДЛЯ СЕВ. АМЕРИКИ
6
1
4
8
9
6
4
1
2
3
5
7
FIT
1:1
100%

Артикул

Название

Примечание

Количество

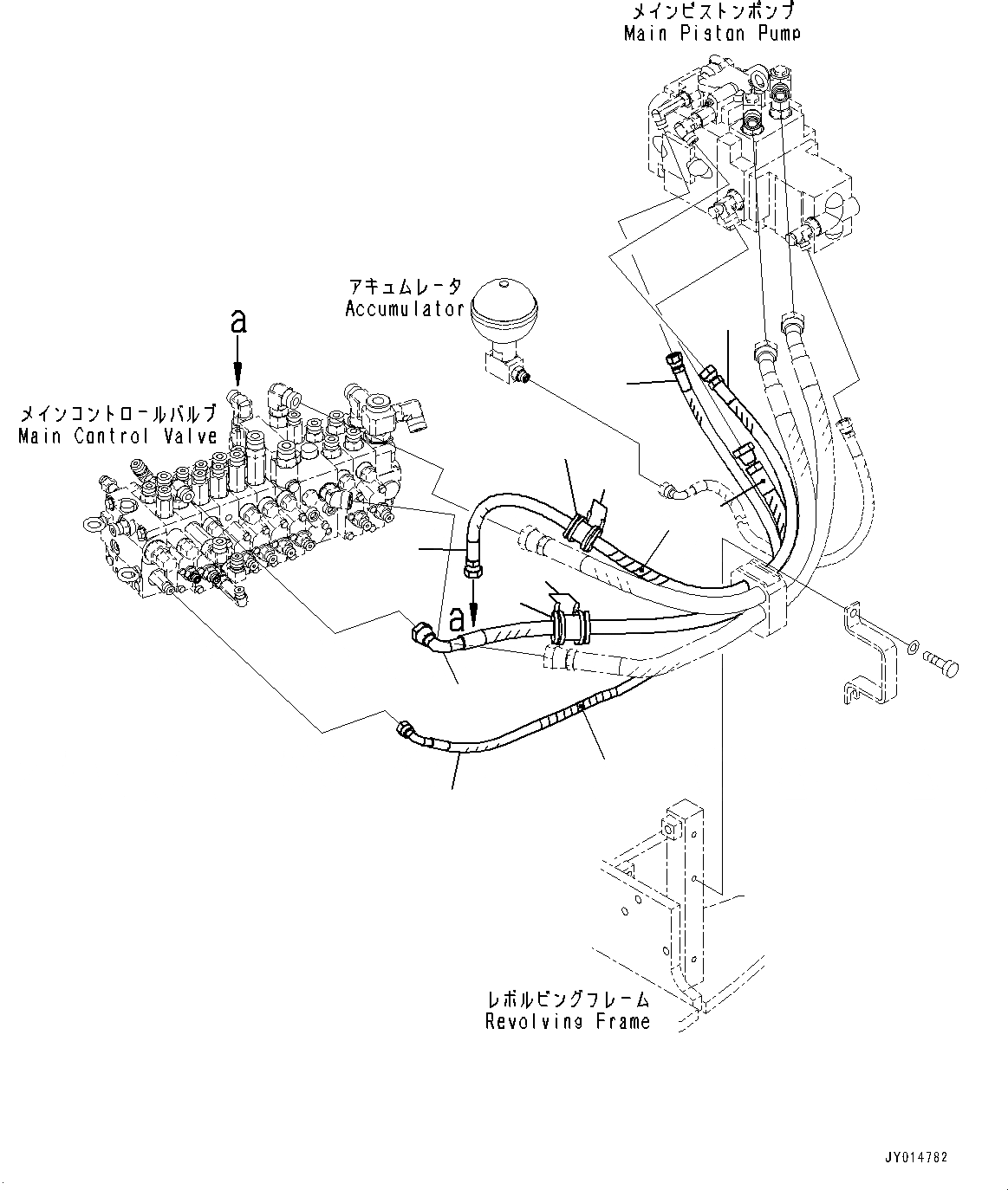
1

02766-004A8

Hose, Face Seal Type, Orange

2

07095-00420

Cushion

3

08034-20834

Band

4

02765-00310

Hose, Face Seal Type

5

08210-01203

Spiral Tube

6

02766-00212

Hose, Face Seal Type

7

08210-01205

Spiral Tube

8

07095-00318

Cushion

9

08034-20519

Band

Выбрано товаров: 0