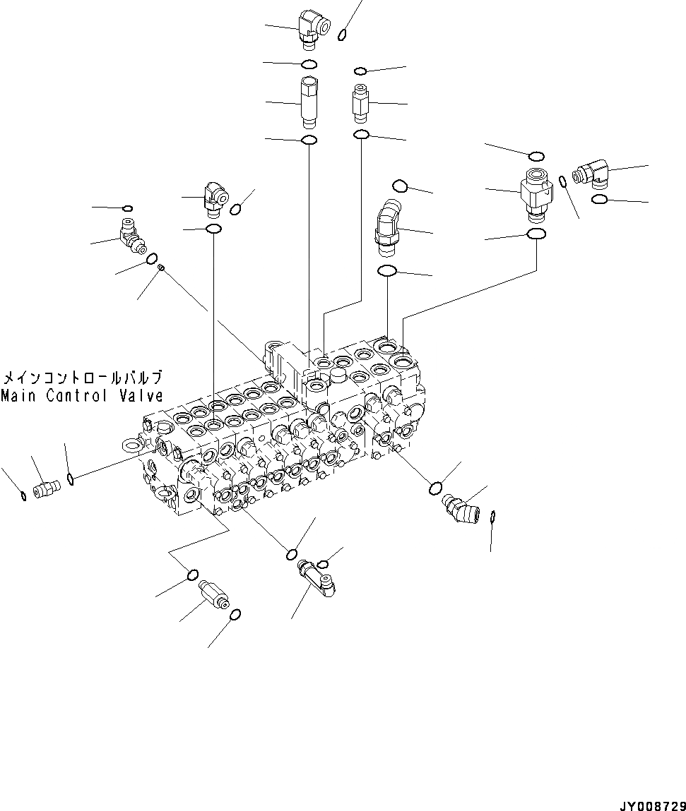
Запчасти Komatsu PC55MR-3 УПРАВЛЯЮЩ. КЛАПАН, СОЕДИНИТЕЛЬН. ЧАСТИ (/) (№-) УПРАВЛЯЮЩ. КЛАПАН, -СЕКЦ., PROVISION ДЛЯ -ДОПОЛН. АКТУАТОР ТРУБЫ, ВЫСОК. ЕМК., ОТВ. С ИЗМ. УГЛОМ DOZER, ДЛЯ СЕВ. АМЕРИКИ

Схема запчастей Komatsu PC55MR-3 - УПРАВЛЯЮЩ. КЛАПАН, СОЕДИНИТЕЛЬН. ЧАСТИ (/) (№-) УПРАВЛЯЮЩ. КЛАПАН, -СЕКЦ., PROVISION ДЛЯ -ДОПОЛН. АКТУАТОР ТРУБЫ, ВЫСОК. ЕМК., ОТВ. С ИЗМ. УГЛОМ DOZER, ДЛЯ СЕВ. АМЕРИКИ
36
35
34
25
24
23
22
1
2
3
10
11
12
13
14
15
16
17
18
21
26
27
28
29
30
31
32
33
5
4
6
9
8
7
19
20
FIT
1:1
100%

Артикул

Название

Примечание

Количество

1

02782-10522

Elbow

2

02896-11015

O-ring

3

07002-12434

O-ring

4

22L-973-2130

Tee

5

207-62-64740

O-ring

6

07002-12434

O-ring

7

22M-62-21380

Elbow

8

02896-11015

O-ring

9

07002-11823

O-ring

10

20U-62-41940

Union

11

02896-11009

O-ring

12

07002-11823

O-ring

13

02781-0031D

Nipple

14

02896-11009

O-ring

15

07002-11423

O-ring

16

20U-62-41890

Nipple

17

02896-11008

O-ring

18

07002-11423

O-ring

19

02782-10212

Elbow

20

02896-11008

O-ring

21

07002-11423

O-ring

22

20U-62-41910

Elbow

23

11Y-62-12730

Orifice

24

02896-11009

O-ring

25

07002-11423

O-ring

26

22M-62-21461

Elbow

27

02896-11015

O-ring

28

07002-11834

O-ring

29

22M-62-21380

Elbow

30

02896-11015

O-ring

31

07002-11823

O-ring

32

20U-62-32480

Joint

33

07002-11823

O-ring

34

02782-10420

Elbow

35

02896-11012

O-ring

36

07002-11823

O-ring

Выбрано товаров: 0