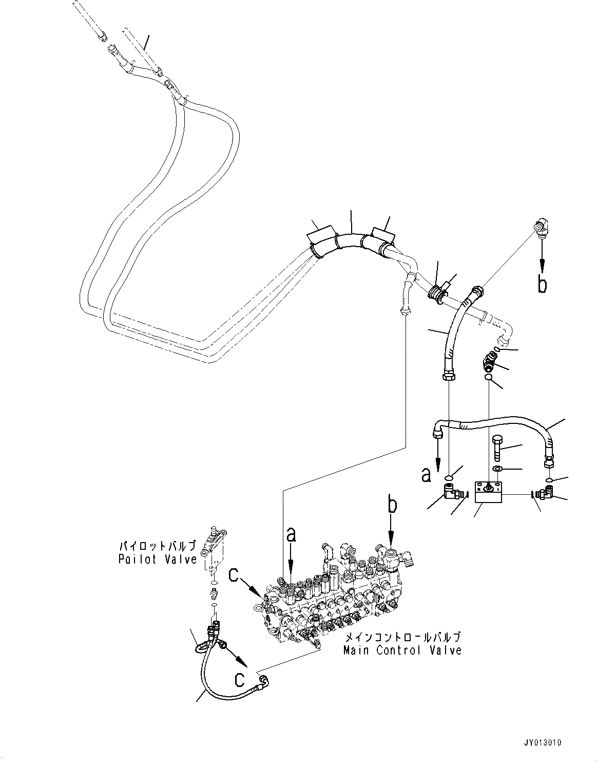
Запчасти Komatsu PC55MR-3 УПРАВЛЯЮЩ. КЛАПАН, НАВЕСН. ОБОРУД ТРУБЫ (№-) УПРАВЛЯЮЩ. КЛАПАН, 9-СЕКЦИОНН., ДЛЯ -ДОПОЛН. АКТУАТОР ТРУБЫ, ВЫСОК. ЕМК., АВТОМАТИЧ. DECELERATOR

Схема запчастей Komatsu PC55MR-3 - УПРАВЛЯЮЩ. КЛАПАН, НАВЕСН. ОБОРУД ТРУБЫ (№-) УПРАВЛЯЮЩ. КЛАПАН, 9-СЕКЦИОНН., ДЛЯ -ДОПОЛН. АКТУАТОР ТРУБЫ, ВЫСОК. ЕМК., АВТОМАТИЧ. DECELERATOR
14
15
13
14
15
13
9
8
7
6
5
4
3
2
1
11
12
10
6
18
17
16
FIT
1:1
100%

Артикул

Название

Примечание

Количество

1

22M-973-2270

Hose

2

22M-973-3290

Hose

3

07095-00523

Cushion

4

08034-20823

Band

5

22M-973-2290

Hose

6

08034-20823

Band

7

22L-973-2110

Valve Assembly

8

01010-81055

Bolt

9

01643-31032

Washer

10

02782-10420

Elbow

11

02896-11012

O-ring

12

07002-11823

O-ring

13

22M-62-21380

Elbow

14

02896-11015

O-ring

15

07002-11823

O-ring

16

22M-973-3350

Hose Assembly

16

22M-973-3410

Hose

17

22M-973-3340

Hose Assembly

17

22M-973-3420

Hose

17

08210-01201

Tube, Spiral

18

22M-973-2311

Tube

Выбрано товаров: 21