Качественные детали и логистика
Оригинальные и аналоговые запчасти с доставкой по России, Казахстану и Беларуси
©2022 PartSell ООО "Система" ИНН 2463123282 ОГРН 1212400004838
Центральный офис: г. Красноярск, Академика Киренского, д.87, пом.4
Телефон: 8 (800) 777-65-74 Email: zakaz@partsell.ru
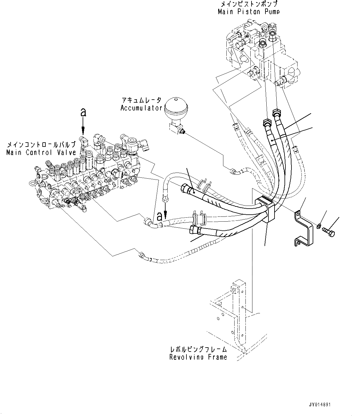
ПОДАЮЩ. ТРУБЫ (№-)
№
Артикул
Название
Примечание
Количество
1
22M-62-21610
Hose, Green
2
22M-62-21620
Hose
3
22M-62-31510
Plate
4
22M-62-21521
Cushion
5
01010-81030
Bolt
6
01643-31032
Washer
Выбрано товаров: 0