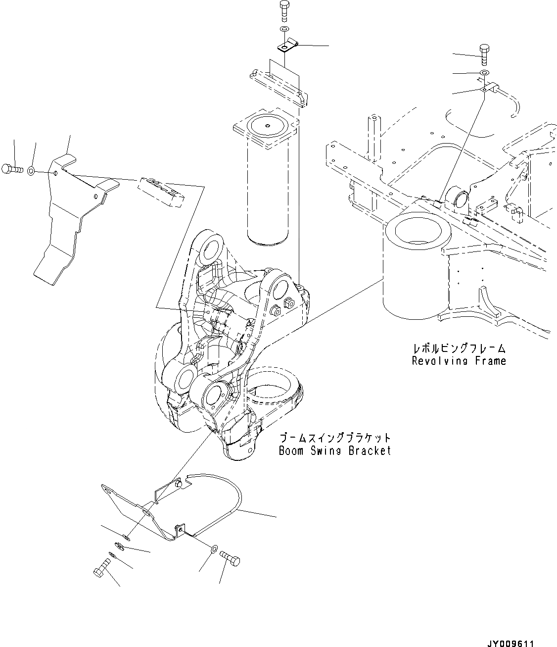
Запчасти Komatsu PC55MR-3 КОРПУС ПОВОРОТА СТРЕЛЫ, (/) (№-) КОРПУС ПОВОРОТА СТРЕЛЫ, БЕЗ РУКОЯТЬ CRANE

Схема запчастей Komatsu PC55MR-3 - КОРПУС ПОВОРОТА СТРЕЛЫ, (/) (№-) КОРПУС ПОВОРОТА СТРЕЛЫ, БЕЗ РУКОЯТЬ CRANE
6
5
4
3
2
1
9
7
8
12
13
11
10
14
FIT
1:1
100%

Артикул

Название

Примечание

Количество

1

22M-70-21621

Cover

2

01010-81045

Bolt

3

01643-31032

Washer

4

22M-70-21631

Cover

5

01010-81025

Bolt

6

01643-31032

Washer

7

01010-81035

Bolt

8

01643-31032

Washer

9

22M-70-21180

Collar

10

144-874-6970

Clip

11

04434-51010

Clip

12

01010-81016

Bolt

13

01643-31032

Washer

14

01643-31032

Washer

Выбрано товаров: 14