Качественные детали и логистика
Оригинальные и аналоговые запчасти с доставкой по России, Казахстану и Беларуси
©2022 PartSell ООО "Система" ИНН 2463123282 ОГРН 1212400004838
Центральный офис: г. Красноярск, Академика Киренского, д.87, пом.4
Телефон: 8 (800) 777-65-74 Email: zakaz@partsell.ru
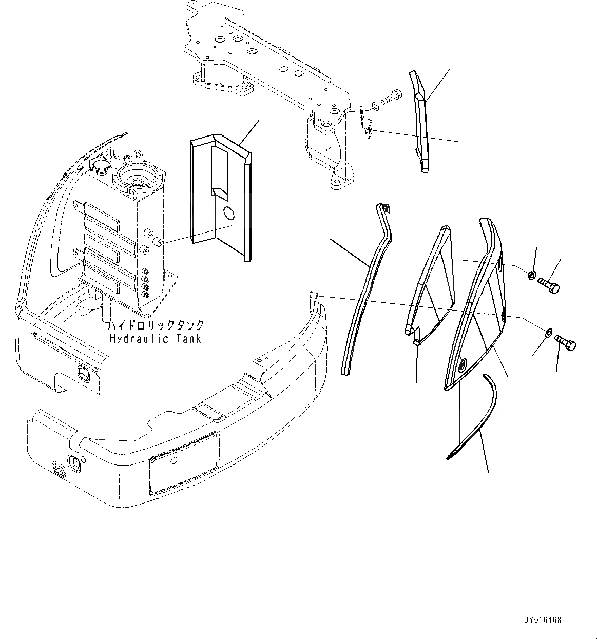
КАПОТ, КРЫШКА(№-)
№
Артикул
Название
Примечание
Количество
|$0
22M-54-31503
Cover Assembly
1
22M-54-31513
Cover
2
22M-54-31561
Seal
3
22M-54-37240
Sheet
4
22M-54-37250
5
22M-54-21590
6
01010-81025
Bolt
7
22M-54-21560
Collar
8
203-54-56970
Washer
9
22M-54-37232
Выбрано товаров: 0