Запчасти Komatsu PC58SF-1 РУКОЯТЬ (РУКОЯТЬ И ПАЛЕЦ) РАБОЧЕЕ ОБОРУДОВАНИЕ

Схема запчастей Komatsu PC58SF-1 - РУКОЯТЬ (РУКОЯТЬ И ПАЛЕЦ) РАБОЧЕЕ ОБОРУДОВАНИЕ
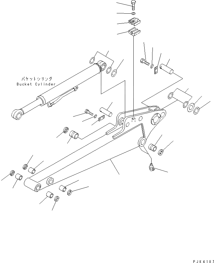
1
2
2
3
3
3
3
4
5
6
7
8
9
9
10
10
10
10
11
12
13
14
15
16
17
18
19
20
21
22
23
FIT
1:1
100%

Артикул

Название

Примечание

Количество

1

20U-70-00423

ARM ASS'Y

|1

20U-70-00422

ARM ASS'Y

|1

ARM

|1

ARM

2

20T-70-81140

BUSHING

3

20T-70-25740

BUSHING

4

07020-00675

FITTING,GREASE

5

21W-70-21380

CUSHION

6

20U-70-21311

PLATE

7

01010-81020

BOLT

8

01643-31032

WASHER

9

07145-00050

SEAL,DUST

10

07145-00045

SEAL,DUST

11

20T-70-71571

PIN

12

04082-00212

LOCK

13

01010-81230

BOLT

14

01643-31232

WASHER

15

21W-70-21440

SHIM¤ 3.0MM

16

20T-70-81750

SPACER¤ 0.5MM

17

20T-70-81730

SPACER¤ 1.0MM

18

20S-70-71571

PIN

19

04082-00212

LOCK

20

01010-81230

BOLT

21

01643-31232

WASHER

22

20U-70-21780

SHIM¤ 2.5MM

23

20T-70-81710

SPACER¤ 1.0MM

Выбрано товаров: 26