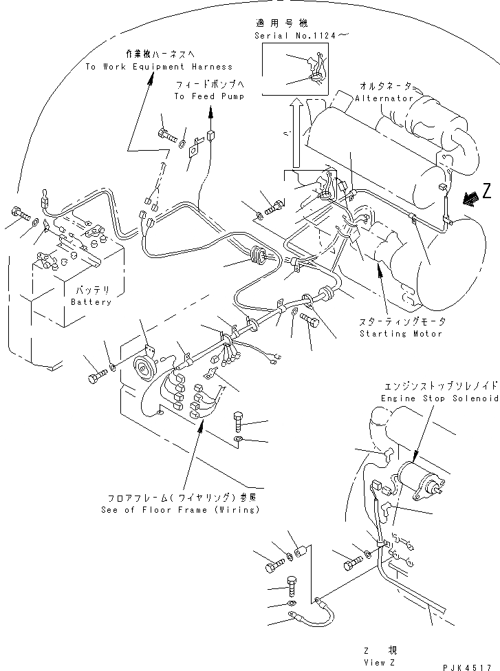
Запчасти Komatsu PC58SF-1 ЭЛЕКТР. (ОСНОВН. Э/ПРОВОДКА) (НАВЕС И КАБИНА) (/) ЭЛЕКТРИКА

Схема запчастей Komatsu PC58SF-1 - ЭЛЕКТР. (ОСНОВН. Э/ПРОВОДКА) (НАВЕС И КАБИНА) (/) ЭЛЕКТРИКА
1
1
1A
2
3
4
5
5
6
6
7
7
7A
8
9
9
10
10
11
12
13
14
15
15
16
17
17
17
18
19
20
21
21
21
22
23
24
25
26
27
27
28
29
30
FIT
1:1
100%

Артикул

Название

Примечание

Количество

1

20U-06-31213

WIRE

|1

20U-06-31212

WIRING HARNESS

|1

20U-06-31211

WIRING HARNESS

|1

20T-06-81230

FUSIBLE LINK

|1

203-06-57241

FUSIBLE LINK

|1

08020-00000

DIODE

1A

20U-06-28120

GROMMET

2

08053-01512

CLIP

3

01010-81016

BOLT

4

01643-31032

WASHER

5

08038-10525

CAP

6

08038-10519

CAP

7

08034-00519

BAND

|7

08034-00519

BAND

7A

08034-30521

BAND

8

08036-21414

CLIP

9

01010-81020

BOLT

10

01643-31032

WASHER

11

08053-01512

CLIP

12

08028-42025

CABLE

13

01010-81020

BOLT

14

01010-81040

BOLT

15

01643-31032

WASHER

16

103-Y06-1140

BOSS

17

08034-00414

BAND

18

08160-61200

HORN

19

01010-80816

BOLT

20

01643-30823

WASHER

21

04434-52511

CLIP

22

01010-81020

BOLT

23

01643-31032

WASHER

24

04434-51910

CLIP

|24

281-01-13180

CLIP

25

01010-81020

BOLT

26

01643-31032

WASHER

27

08036-21414

CLIP

28

08053-01510

CLIP

29

01010-80816

BOLT

30

01643-30823

WASHER

Выбрано товаров: 39