Запчасти Komatsu PC58UU-3 ОСНОВН. КОНСТРУКЦИЯ (ОБОГРЕВАТЕЛЬ.) (С АНТИОБЛЕДЕНИТЕЛЬ) КАБИНА ОПЕРАТОРА И СИСТЕМА УПРАВЛЕНИЯ

Схема запчастей Komatsu PC58UU-3 - ОСНОВН. КОНСТРУКЦИЯ (ОБОГРЕВАТЕЛЬ.) (С АНТИОБЛЕДЕНИТЕЛЬ) КАБИНА ОПЕРАТОРА И СИСТЕМА УПРАВЛЕНИЯ
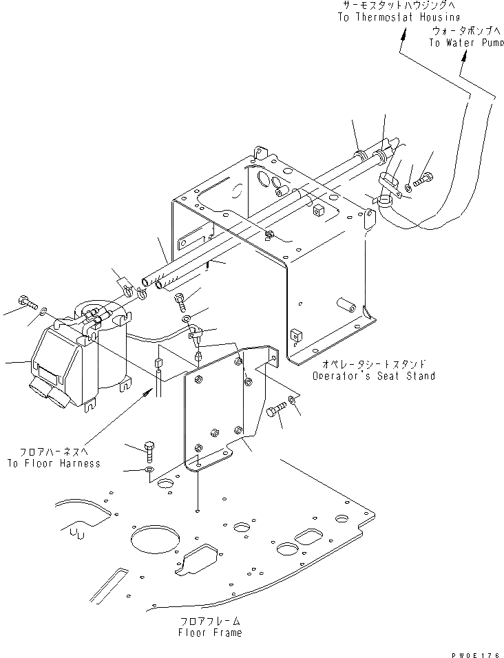
1
2
3
4
5
6
6
7
7
8
9
10
11
11
12
12
13
14
15
16
FIT
1:1
100%

Артикул

Название

Примечание

Количество

1

22M-977-1160

HEATER ASS'Y

2

22M-977-1221

BRACKET

3

04434-51010

CLIP

4

01010-81020

BOLT

5

01643-31032

WASHER

6

01010-81025

BOLT

7

01643-31032

WASHER

8

01010-81030

BOLT

9

01643-31032

WASHER

10

11Y-09-11160

CLIP

11

08037-02512

GROMMET

12

09483-80425

HOSE

13

04435-52210

CLIP

14

01010-81020

BOLT

15

01643-31032

WASHER

16

08034-20414

BAND

Выбрано товаров: 16