Запчасти Komatsu PC58UU-3 МОТОР ПОВОРОТА (/) ОСНОВН. КОМПОНЕНТЫ И РЕМКОМПЛЕКТЫ

Схема запчастей Komatsu PC58UU-3 - МОТОР ПОВОРОТА (/) ОСНОВН. КОМПОНЕНТЫ И РЕМКОМПЛЕКТЫ
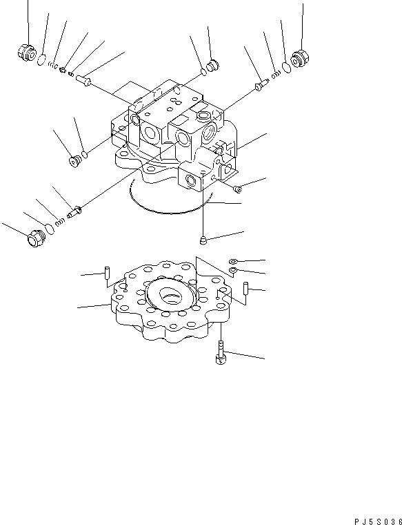
1
2
3
4
5
5
6
6
7
7
8
8
9
9
10
10
11
11
12
13
14
15
16
17
18
19
19
20
FIT
1:1
100%

Артикул

Название

Примечание

Количество

|$1

708-7R-00340

MOTOR ASS'Y

|$4

MOTOR SUB ASS'Y

1

708-7R-11630

PLATE,SWASH

2

708-7R-11710

WASHER

3

708-7R-11720

FILTER

|$8

708-7R-04120

HOUSING SUB ASS'Y

4

HOUSING

5

PLUG

6

708-7R-11220

PLUG

7

07002-11223

O-RING

8

708-7R-11210

VALVE

9

722-10-91130

SPRING

10

709-32-12861

PLUG

11

07002-11823

O-RING

|$17

708-7R-03020

VALVE SUB ASS'Y

12

VALVE

13

POPPET

14

708-7R-11250

PLUG

15

722-10-91130

SPRING

16

708-7R-11270

PLUG

17

07002-11823

O-RING

18

431-40-11210

O-RING

19

720-68-19610

PIN

20

01252-61230

BOLT

Выбрано товаров: 24