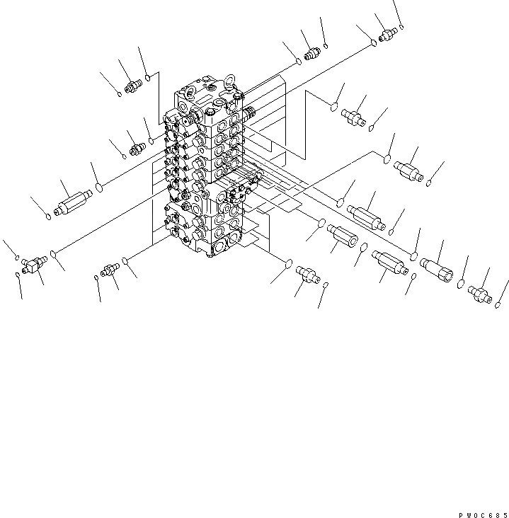
Запчасти Komatsu PC58UU-3 ОСНОВН. КЛАПАН (ПАТРУБОК) ГИДРАВЛИКА

Схема запчастей Komatsu PC58UU-3 - ОСНОВН. КЛАПАН (ПАТРУБОК) ГИДРАВЛИКА
1
1
2
3
4
4
5
6
7
8
8
8
8
8
8
8
8
8
9
9
9
9
10
10
10
11
11
12
13
13
14
15
15
15
15
15
15
16
16
16
16
16
16
16
FIT
1:1
100%

Артикул

Название

Примечание

Количество

1

11Y-62-12360

UNION

2

20U-62-41640

UNION

3

11Y-62-12350

NIPPLE

4

21W-62-42420

UNION

5

20T-62-84370

JOINT

6

20U-62-41940

UNION

7

20U-62-32480

JOINT

8

07002-11823

O-RING

9

02896-11009

O-RING

10

02896-11012

O-RING

11

11Y-62-12130

NIPPLE

11

02781-00210

UNION

12

20U-62-43710

NIPPLE

13

20U-60-42210

VALVE ASS'Y

14

11Y-62-12330

ELBOW

15

07002-11423

O-RING

16

02896-11008

O-RING

Выбрано товаров: 17