Запчасти Komatsu PC58UU-3 НАВЕСНОЕ ОБОРУД-Е ГИДРАВЛИКА

Схема запчастей Komatsu PC58UU-3 - НАВЕСНОЕ ОБОРУД-Е ГИДРАВЛИКА
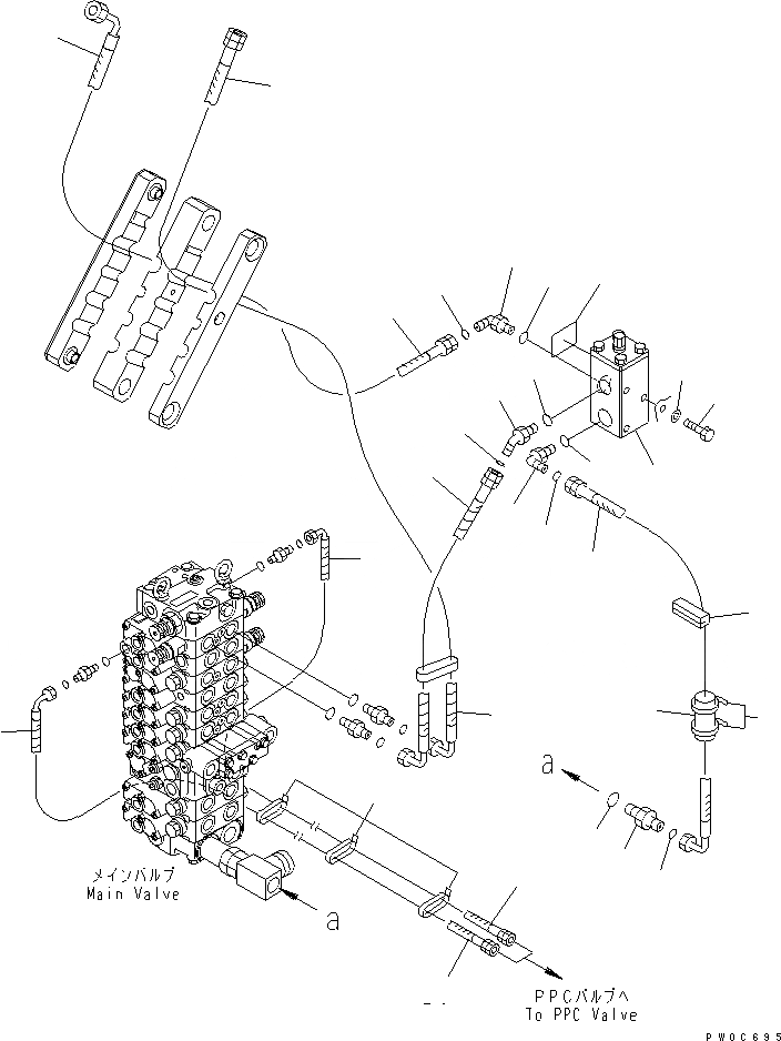
1
1
2
2
3
4
5
6
7
8
9
10
11
12
13
14
15
16
17
17
18
18
19
19
20
20
21
21
22
23
FIT
1:1
100%

Артикул

Название

Примечание

Количество

1

20U-973-4630

HOSE

2

20U-973-4640

HOSE

3

20U-973-4540

HOSE

4

02763-00508

HOSE

5

02781-00522

UNION

6

02896-11015

O-RING

7

07002-12434

O-RING

8

07095-20420

CUSHION

9

08034-20834

BAND

10

20U-973-4590

SEAL

11

22M-973-1600

VALVE ASS'Y,3-WAY

12

01010-81020

BOLT

13

01643-31032

WASHER

14

02783-10422

ELBOW

15

02896-11012

O-RING

16

07002-12034

O-RING

17

02782-10522

ELBOW

18

02896-11015

O-RING

19

07002-12434

O-RING

20

02763-00221

HOSE,RED

21

02763-00217

HOSE,WHITE

22

08034-20536

BAND

23

22M-973-1650

PLATE

Выбрано товаров: 23